EasyManua.ls Logo

3M 2770 - Head Assembly

3M 2770
26 pages
To Next Page IconTo Next Page
To Next Page IconTo Next Page
To Previous Page IconTo Previous Page
To Previous Page IconTo Previous Page
Loading...
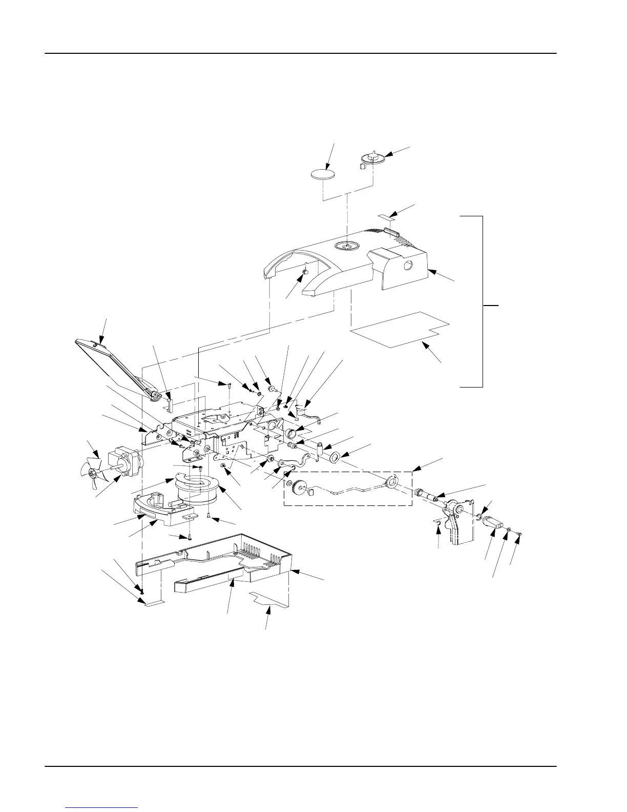
3MOverhead Projector 2770Illustrated Parts Breakdown
8
3M 2000
Section 2
HEAD ASSEMBLY
20
21
22
18
9
8
12
13
14
15
16
17
24
25
27
31
32
34
33
8
35
36
37
38
39
51
50
49
2
1
3
48
44
43
46
47
4
5
6
7
8
10
45
28
29
19
11
23
40, 41

Other manuals for 3M 2770

Related product manuals