EasyManua.ls Logo

A.O. Smith 200 - PREVENTATIVE MAINTENANCE; MAIN BURNERS INSPECTION

A.O. Smith 200
36 pages
Print Icon
To Next Page IconTo Next Page
To Next Page IconTo Next Page
To Previous Page IconTo Previous Page
To Previous Page IconTo Previous Page
Loading...
31
drop out first followed by stages three, two and one. To achieve
maximum efficiency, stages will reignite if the system water
temperature drops below the stage Set Point minus the Set
Point Differential.
Note: Once a stage is satisfied, the blower associated with that
stage will allow a 25 second postpurge before it deactivates.
11. Once all of the stages have been satisfied, the pump will run
for the programmed post-circulate cycle (factory default 45
seconds). See Procedure for Setting Pump Delay on page 30
of the manual.
12. The control now enters the idle state. This is indicated on the
display by the "Standby" LED. The control will continue to
monitor temperature and the state of other system devices. If
the water temperature at the designated system controller
drops below the set-point value minus the switching
differential, and the thermostat circuit or tank probe circuit
closes, the control will return to step 2 and repeat the entire
operating cycle. During this idle state, if the control detects an
improper operating state for external devices such as the ECO
switch, air pressure switch, gas pressure switch, etc., the
appropriate LED(s) on the Display Board will illuminate
indicating the nature of the fault.
PREVENTATIVE MAINTENANCE
These boilers are designed to give many years of efficient and
satisfactory service when properly operated and maintained. To
assure continued good performance, the following
recommendations are made.
The area around the unit should be kept clean and free from lint
and debris. Sweeping the floor around the boiler should be done
carefully. This will reduce the dust and dirt which may enter the
burner and heat exchanger, causing improper combustion and
sooting.
MAIN BURNERS
Check main burners every three months for proper flame
characteristics.
The main burner should display the following characteristics:
Provide complete combustion of gas.
Cause rapid ignition and carry over of flame across entire burner.
Give reasonably quiet operation during initial ignition, operation
and extinction.
Cause no excessive lifting of flame from burner ports
(see Figure 17).
If the preceding burner characteristics are not evident, check for
accumulation of lint or other foreign material that restricts or blocks
the air openings to the burner or boiler.
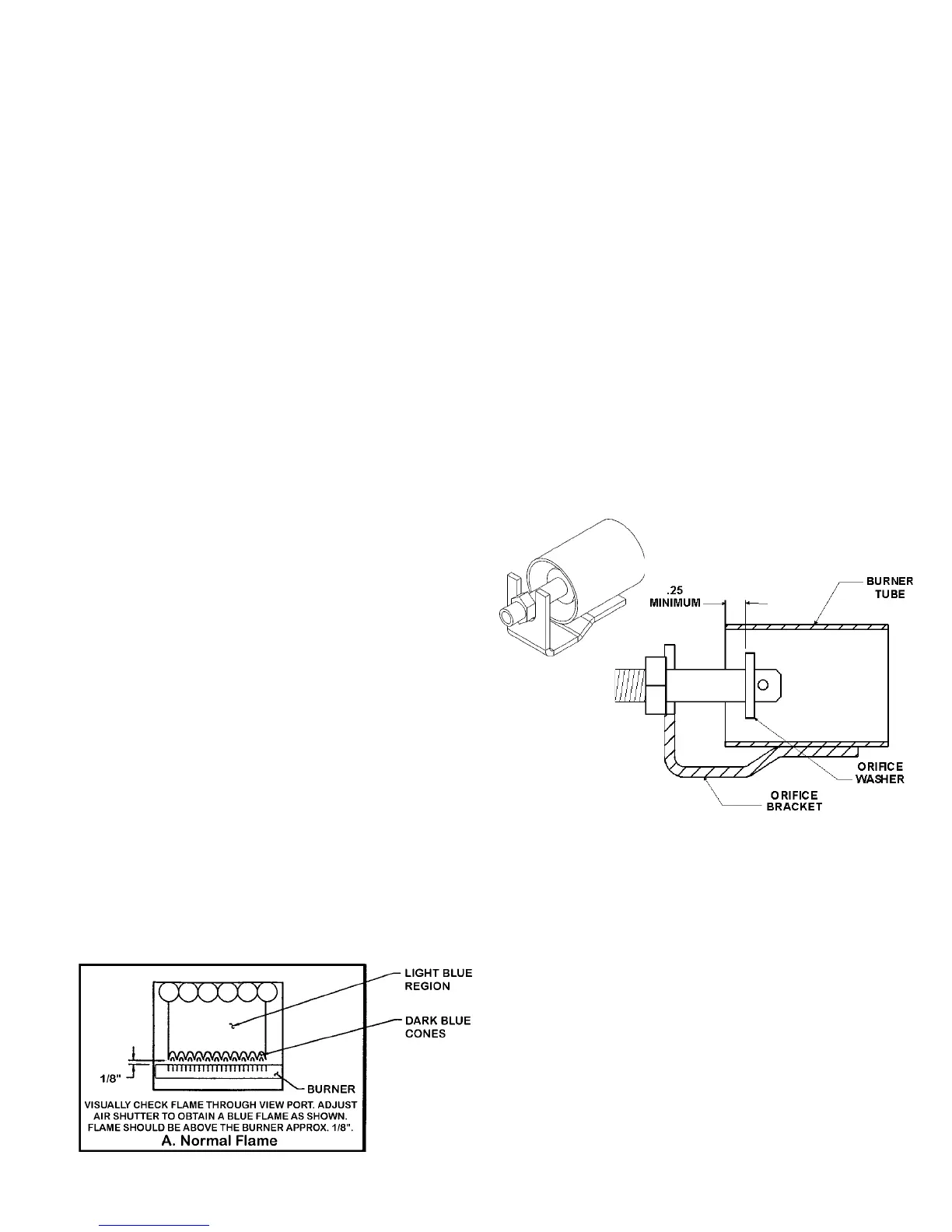
Figure 17. Normal Flame Characteristics
NOTE: Cleaning of main burners.
Shut off all gas and electricity to unit.
1. Remove main burners from unit.
2. Check that burner venturi and ports are free of foreign matter.
3. Clean burners with bristle brush and/or vacuum cleaner.
DO NOT distort burner ports.
4. Reinstall burners in unit. Ensure that all the screws on the
burner flange are tightened securely so that the gasket will
provide a good seal. Also, ensure that each orifice is centered
with the venturi opening of every burner. The washer of the
orifice must be inserted a minimum of 1/4" into the burner
tube. This is critical for proper operation. See Figure 18.
5. Also check for good flow of combustion and ventilating air to
the unit.
This is a powered burner and the flame is not supposed to be on
the burner. The flame should be just above the burner deck
approximately 1/8” and blue in color (see Figure 17).
Visually check flame characteristics through the view port located
under the left-hand header on the boiler. Figure 17 shows the
normal flame condition. Also, refer to the flame label on the unit
(adjacent to the view port).
Figure 18. Orifice Insertion
After placing the boiler in operation, check the ignition system safety
shut-off devices for proper operation. To accomplish this with the
main burners operating, close the valve on the manifold. Within
four seconds the main burners should extinguish. If this does not
occur immediately, discontinue gas supply by closing main manual
shut-off and call a qualified serviceman to correct the situation. If
the burners extinguish, then light boiler in accordance with lighting
and operating instructions.
For installations above 4,500 feet (1350 m), refer to HIGH ALTITUDE
INSTALLATIONS in the installation section.
THE FLOW OF COMBUSTION AIR TO THE BOILER MUST NOT BE
OBSTRUCTED.
THE BOILER AREA MUST BE KEPT CLEAR AND FREE FROM
COMBUSTIBLE MATERIALS, GASOLINE AND OTHER FLAMMABLE
VAPORS AND LIQUIDS.
Any safety devices including low water cutoffs used in conjunction

Related product manuals