EasyManua.ls Logo

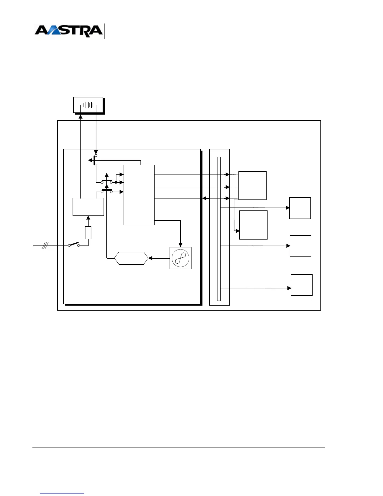
Aastra AXS - Figure 3.24 Block Diagram of the Power Supply Chain in an AXS Cabinet

Aastra AXS
502 pages
Print Icon
To Next Page IconTo Next Page
To Next Page IconTo Next Page
To Previous Page IconTo Previous Page
To Previous Page IconTo Previous Page
Loading...
AMT/PTD/PBX/0058/4/6/EN Installation and Maintenance Manual - Aastra 5000
Page 110 01/2011 Description et caractéristiques d’un PBX
Figure 3.24 Block diagram of the power supply chain in an AXS cabinet
66
2EDRESSEUR
#ONVERTISSEUR
&USIBLES
6
6
3URVEILLANCE
VENTILATEUR
$ÏFAUT
DESDEUX
VENTILATEURS
#/&&2%4
-/$5,%
!,)-%.4!4)/.
"ATTERIE
!LIMENTATIONSCIRCUITS
INTERNESDESCARTES
!LIMENTATIONSDELIGNE
#OURANTDESONNERIE
#!24%
&/.$$%
0!.)%2
#!24%3
%84%.3)/.3
!LIM
)/
#!24%
5#63
!LIM
!LIM
#!24%
%843

Table of Contents

Related product manuals