EasyManua.ls Logo

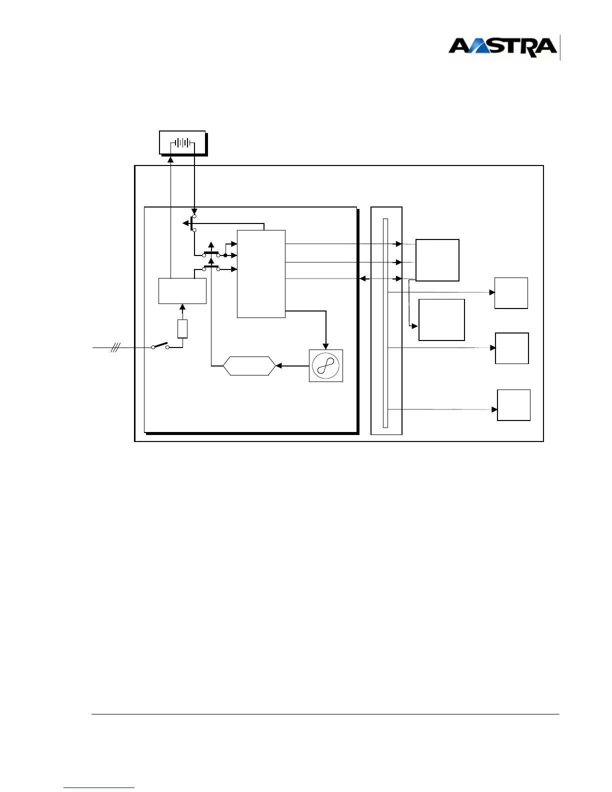
Aastra AXS - Figure 3.25 Block Diagram of the Power Supply Chain on an AXS12;AXS6 Cabinet

Aastra AXS
502 pages
Print Icon
To Next Page IconTo Next Page
To Next Page IconTo Next Page
To Previous Page IconTo Previous Page
To Previous Page IconTo Previous Page
Loading...
Installation and Maintenance Manual - Aastra 5000 AMT/PTD/PBX/0058/4/6/EN
Description et caractéristiques d’un PBX 01/2011 Page 111
Figure 3.25 Block diagram of the power supply chain on an AXS12/AXS6 cabinet
66
2EDRESSEUR
#ONVERTISSEUR
&USIBLES
6
6
3URVEILLANCE
VENTILATEUR
$ÏFAUT
DESDEUX
VENTILATEURS
#/&&2%4
-/$5,%
!,)-%.4!4)/.
"ATTERIE
!LIMENTATIONSCIRCUITS
INTERNESDESCARTES
!LIMENTATIONSDELIGNE
#OURANTDESONNERIE
#!24%
&/.$$%
0!.)%2
#!24%3
%84%.3)/.3
!LIM
)/
#!24%
5#63
!LIM
!LIM
#!24%
%843
OU%843

Table of Contents

Related product manuals