EasyManua.ls Logo

ABB ACS800-01 - Frame Size R7 I

ABB ACS800-01
46 pages
To Next Page IconTo Next Page
To Next Page IconTo Next Page
To Previous Page IconTo Previous Page
To Previous Page IconTo Previous Page
Loading...
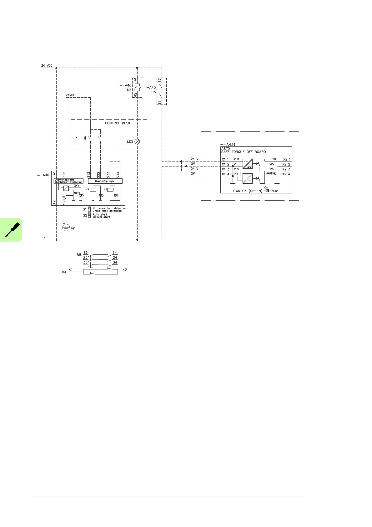
26 Installation
Frame size R7i
3AUA0000071142
INVERTER MODULE R7i

Table of Contents

Other manuals for ABB ACS800-01

Related product manuals