EasyManua.ls Logo

ABB BSR10 - Page 28

ABB BSR10
58 pages
Print Icon
To Next Page IconTo Next Page
To Next Page IconTo Next Page
To Previous Page IconTo Previous Page
To Previous Page IconTo Previous Page
Loading...
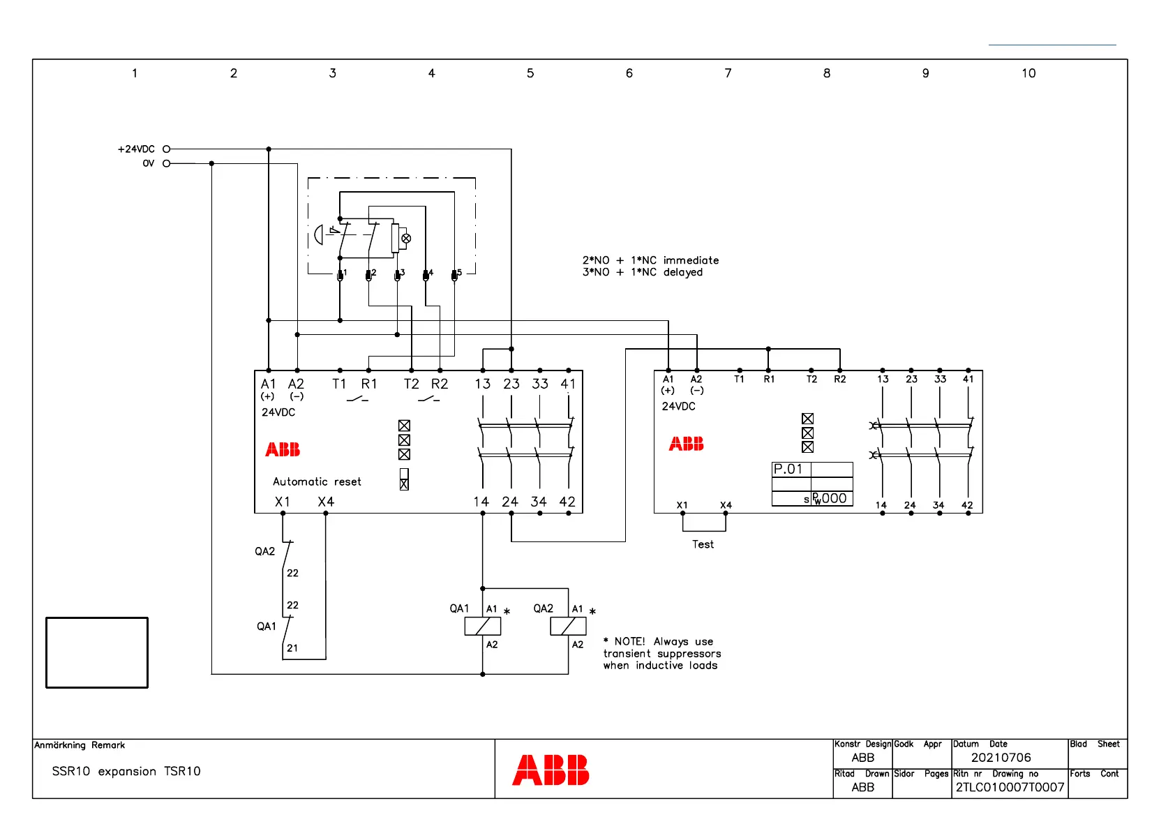
CONNECTION DIAGRAMS SENTRY
28 Back to table of contents
SSR10SENTRY
CH1
MODE
CH2
M
A
E-STOP BUTTON INCA/SMILE
Jokab Safety
CH1 CH2
CH1 CH2
CH1
MODE
CH2
Jokab Safety
TSR10SENTRY
PLe
According to
EN ISO 13849-1
Note: The stated PL is only valid if all relevant requirements according to EN ISO 13849-1/-2 are met. It is the responsibility of the
machine builder to make a risk assessment and make sure that the appropriate functional safety levels are achieved.
Safety Products

Related product manuals