EasyManua.ls Logo

ABB DWA1 - Page 31

ABB DWA1
59 pages
Print Icon
To Next Page IconTo Next Page
To Next Page IconTo Next Page
To Previous Page IconTo Previous Page
To Previous Page IconTo Previous Page
Loading...
English
- 29 -
User manual DWA
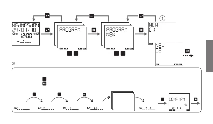
Program menu: new
Choose the
channel
C2
C1
C2
C1
Select days
scroll through the days of the week from 1 to 7:
- by pressing the key
C2
to move to the next day without selecting the current day
- by pressing the key
to select/deselect the current day and move to the next
C2 C2
C2
Choose the channel to program (only for DWA2)

Related product manuals