EasyManua.ls Logo

ABB DWA1 - Page 42

ABB DWA1
59 pages
Print Icon
To Next Page IconTo Next Page
To Next Page IconTo Next Page
To Previous Page IconTo Previous Page
To Previous Page IconTo Previous Page
Loading...
English
- 40 -
User manual DWA
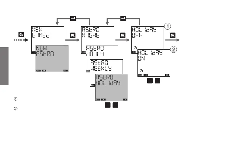
Program menu: new astro holiday
Enter
program
parameters
HOLIDAY OFF: the relay is OFF from the
beginning to the end of holiday program.
HOLIDAY ON: the relay is ON from the
beginning to the end of holiday program.
Program parameters
- beginning of the program
- end of the program
C2
C1
C2
C1

Related product manuals