EasyManua.ls Logo

ABB HT845527 - View of Turbocharger with Part Numbers; Fig. 54: Overview of Part Numbers

ABB HT845527
124 pages
Print Icon
To Next Page IconTo Next Page
To Next Page IconTo Next Page
To Previous Page IconTo Previous Page
To Previous Page IconTo Previous Page
Loading...
Operation Manual / 4 Product description / A130-H.. - A140-H
12 Spare parts / 12.3 View of turbocharger with part numbers
© Copyright 2020 ABB. All rights reserved. HZTL4030_EN Rev.F February 2020
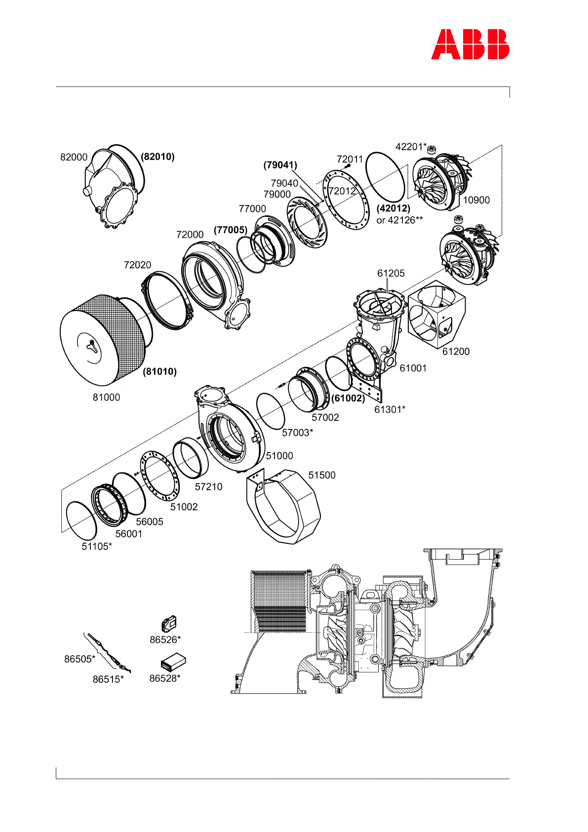
12.3 View of turbocharger with part numbers
Fig.54: Overview of part numbers
(……) only available in customer spare part set (97070).
Page 90 / 93

Table of Contents

Related product manuals