EasyManua.ls Logo

ABB NPBA-12 - Page 33

ABB NPBA-12
52 pages
Print Icon
To Next Page IconTo Next Page
To Next Page IconTo Next Page
To Previous Page IconTo Previous Page
To Previous Page IconTo Previous Page
Loading...
Chapter 6 Communication
NPBA-12 Installation and Start-up Guide 6-9
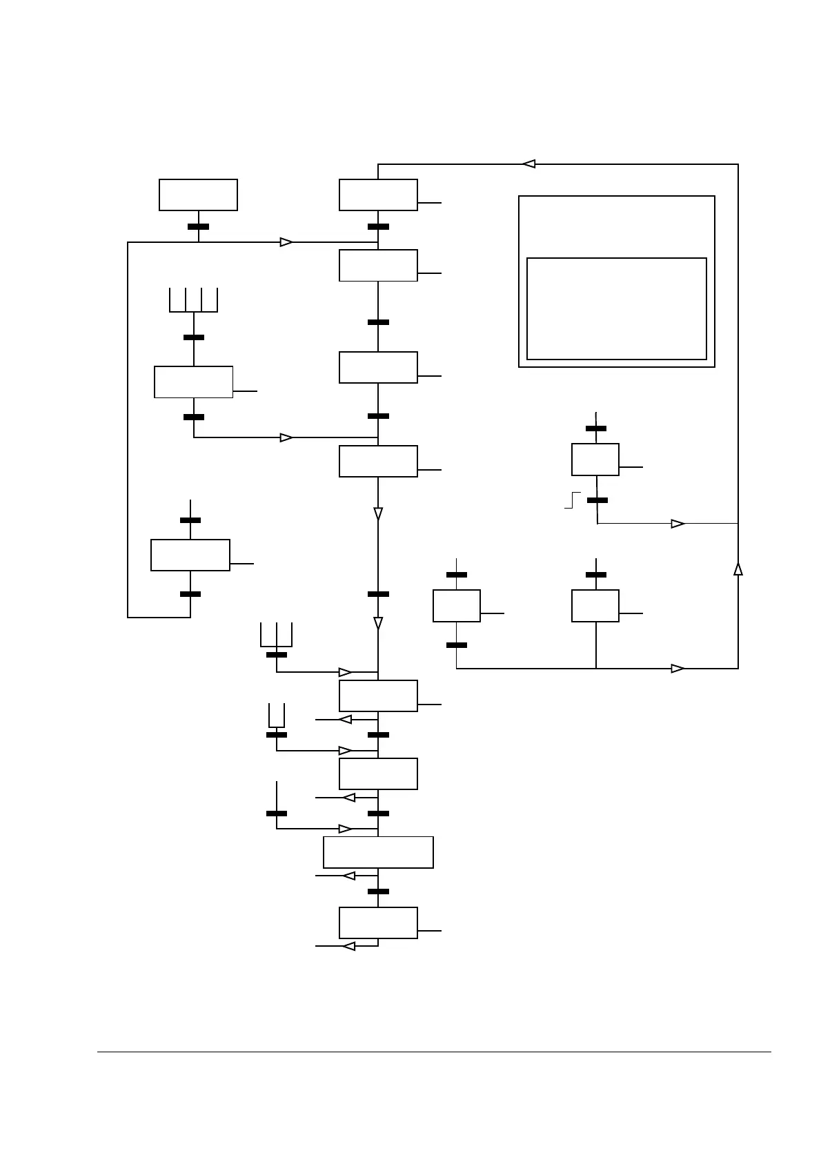
Figure 6-2 The PROFIBUS State Machine.
MAINS OFF
Power ON (CW Bit0=0)
SWITCH-ON
INHIBITED
(SW Bit6=1)
NOT READY
TO SWITCH ON
(SW Bit0=0)
READY TO
SWITCH ON
from any state
(CW=xxxx xxxx xxxx x110)
PROFIBUS
State Machine
READY TO
OPERATE
(SW Bit1=1)
n(f)=0 / I=0
OPERATION
INHIBITED
(SW Bit2=0)
ABCD
(CW Bit3=0)
operation
inhibited
OFF1 (CW Bit0=0)
OFF1
ACTIVE
(SW Bit1=0)
(SW Bit0=1)
(CW Bit3=1
and
SW Bit12=1)
CD
(CW Bit5=0)
OPERATION
ENABLED
(SW Bit2=1)
(SW Bit5=0)
from any state from any state
Emergency Stop
OFF3 (CW Bit2=0)
n(f)=0 / I=0
OFF3
ACTIVE
Emergency Stop
OFF2 (CW Bit1=0)
(SW Bit4=0)
OFF2
ACTIVE
RFG: OUTPUT
ENABLED
RFG: ACCELERATOR
ENABLED
OPERATING
B
BCD
(CW Bit4=0)
(CW Bit4=1)
(CW Bit5=1)
D
(CW Bit6=0)
A
C
(CW Bit6=1)
CW = Control Word
SW = Status Word
n = Speed
I = Input Current
(SW Bit8=1)
RFG = Ramp Function Generator
f = Frequency
D
from any state
Fault
(SW Bit3=1)
FAULT
(CW Bit7=1)
(CW=xxxx xxxx xxxx x111)

Related product manuals