EasyManua.ls Logo

ABB Relion REM601 - Page 27

ABB Relion REM601
90 pages
Print Icon
To Next Page IconTo Next Page
To Next Page IconTo Next Page
To Previous Page IconTo Previous Page
To Previous Page IconTo Previous Page
Loading...
1MDU07212-YN Rev. D Section 4
Protection and Control Function
REF601 / REJ601 / REM601 21
Application Manual
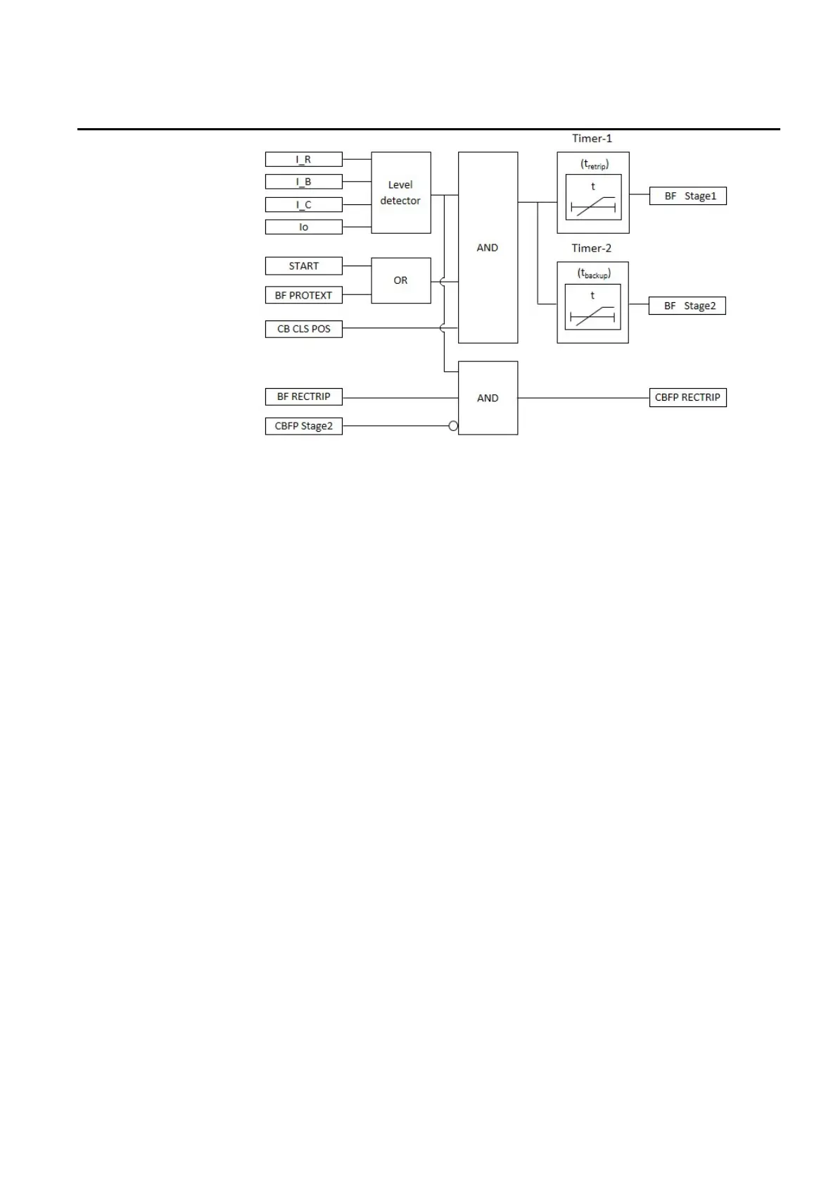
Figure 3: Circuit breaker failure protection functional module diagram
The measured phase currents are compared phasewise to the set I
CBFP
. Similarly the
neutral current is compared to the set I
oCBFP
. If either of these measured values
exceeds the respective setting, the level detector gives permissive to CBFP
initiation logic.
The CBFP initiation logic is triggered by the rising edge of the START (from
protection function I>, I>>, I>>>, Io> and Io>>) input or by the rising edge of the
BF PROTEXT input wired to digital input of relay as external protection trip.
Retrip function
On receipt of trigger signal and reporting of exceeding value of the current by level
detector, the CBFP initiation logic activates Timer 1. In case if relay is configured
to received CB closed position information at any binary input that information is
also used in deciding activation of Timer 1.
Once activated, the timer runs until the set t
retrip
value has elapsed. The time
characteristic for retrip function is according to definite time. When the operation
timer has reached the maximum time value, the BF STAGE1 output is activated.
Backup trip function
The Timer 2 for backup trip function activates after timer 1 expires. Once
activated, the timer runs until the set t
backup
value has elapsed. The time
characteristic is according to definite time. When the operation timer has reached
the maximum time value, the BF STAGE2 output is activated.
In both retrip as well backup trip conditions, the timer reset immediately when the
current value in all three phases decreases below I
CBFP
, and neutral current decrease
below I
OCBFP
.

Table of Contents