EasyManua.ls Logo

ABB SPAU 331 C - Output relay module

ABB SPAU 331 C
20 pages
Print Icon
To Next Page IconTo Next Page
To Next Page IconTo Next Page
To Previous Page IconTo Previous Page
To Previous Page IconTo Previous Page
Loading...
12
Output relay
module
The output relay module SPTR 6B3 is located
behind the system front panel of the relay to-
gether with the power supply module. The out-
put relay module forms its own withdrawable
relay module after removal of the system front
plate. The module contains all output relays,
A...F, the control circuits of the relays as well as
the electronic circuitry of the external control
inputs.
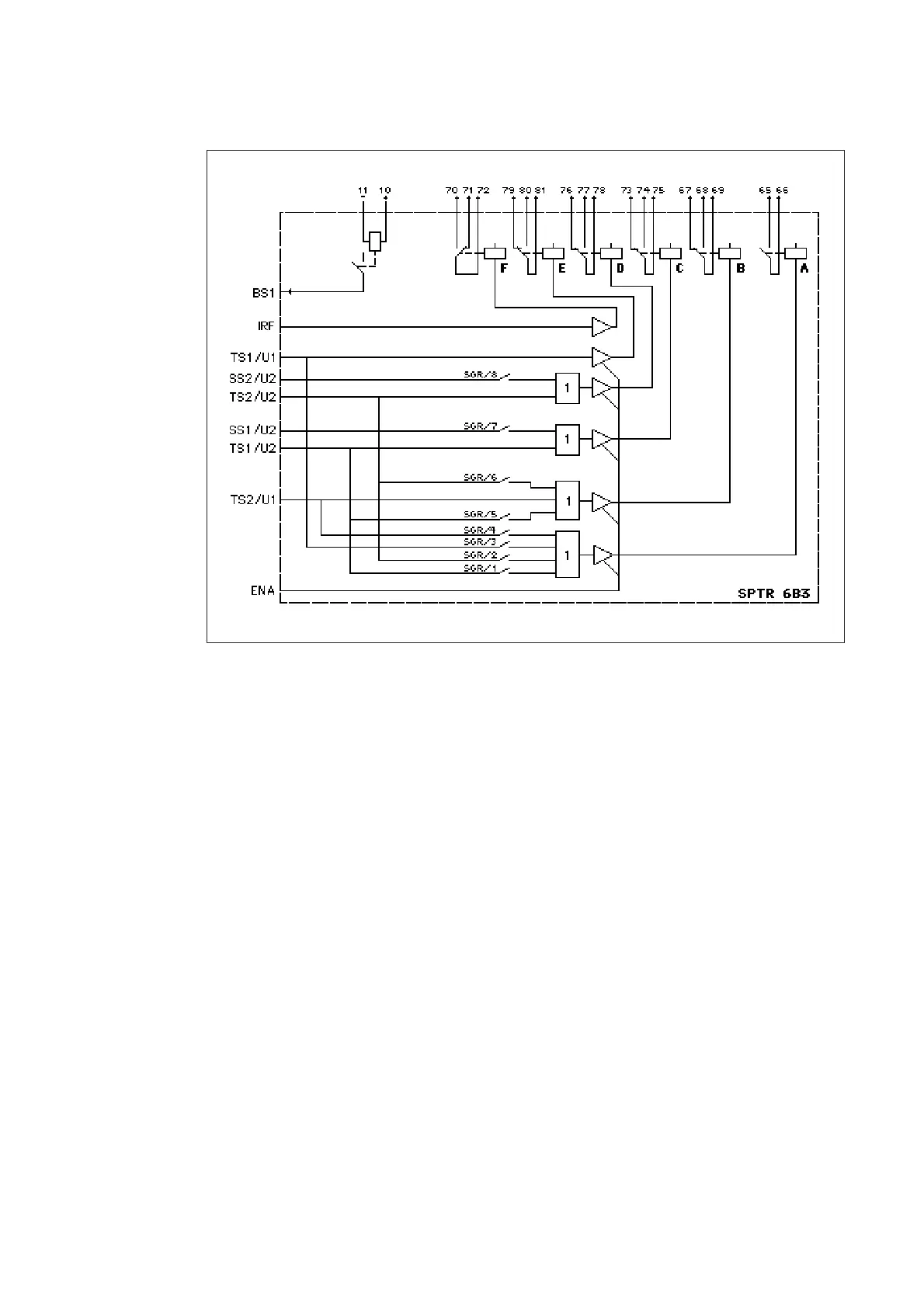
Fig. 6. Block diagram for the output relay module SPTR 6B3.
TS1/U1 Tripping signal of U
0
>-stage
TS2/U1 Tripping signal of U
0
>>-stage
SS1/U2 Starting signal of U>-stage
TS1/U2 Tripping signal of U>-stage
SS2/U2 Starting signal of U<-stage
TS2/U2 Tripping signal of U<-stage
BS1 External blocking input signal to U<-stage
A Tripping output relay A (heavy-duty) for all stages, U
0
>, U
0
>>, U> and U<
B Alarm signal output relay B for stages U
0
>>, U> and U<
C Alarm signal output relay C for stage U>
D Alarm signal output relay D for stage U<
E Alarm signal output relay E for stage U
0
>
F Self-supervision output relay F
IRF Self-supervision input signal
SGR Switchgroup for programming of starting and tripping signals
ENA Enable output signal from control circuits
The input and output signals of the output re-
lay module are related to the fixed positions of
the relay modules which cannot be changed in
the relay housing. The output signals from each
relay module and PC-board location are wired
individually to the output relay module. It must
be pointed out that the relay modules have to
be plugged into the relay case as illustrated in
the figure on the front page in order to secure
that the connection diagram drawn for the re-
lay assembly also would correspond to the physi-
cal function of the protective device.

Related product manuals