EasyManua.ls Logo

ABB TJC 4 - Examples of Current Transformers Connection

ABB TJC 4
47 pages
Print Icon
To Next Page IconTo Next Page
To Next Page IconTo Next Page
To Previous Page IconTo Previous Page
To Previous Page IconTo Previous Page
Loading...
14
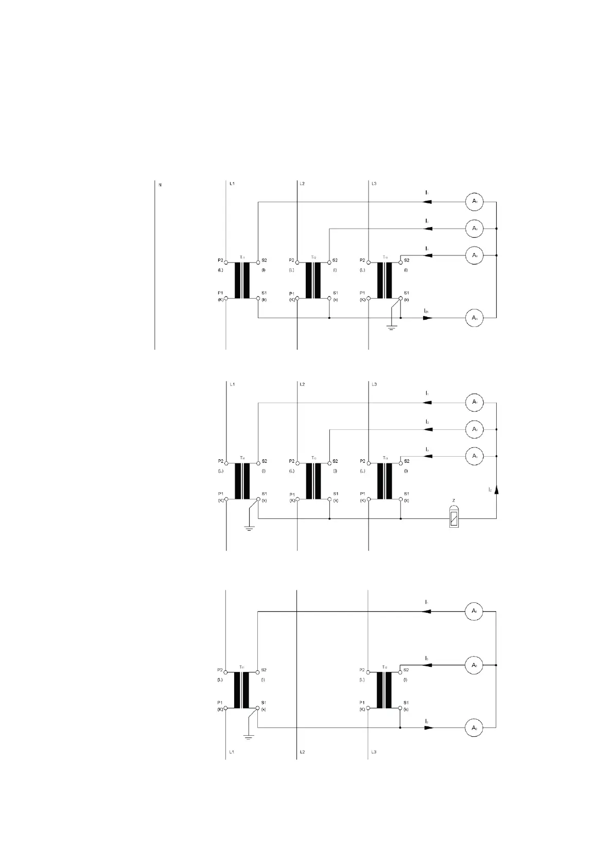
CURRENT AND VOLTAGE INSTRUMENT TRANSFORMERS
INSTRUCTIONS FOR INSTALLATION, USE AND MAINTENANCE
Examples of current transformers connection

Table of Contents

Related product manuals