EasyManua.ls Logo

Acer X193HQ - Page 57

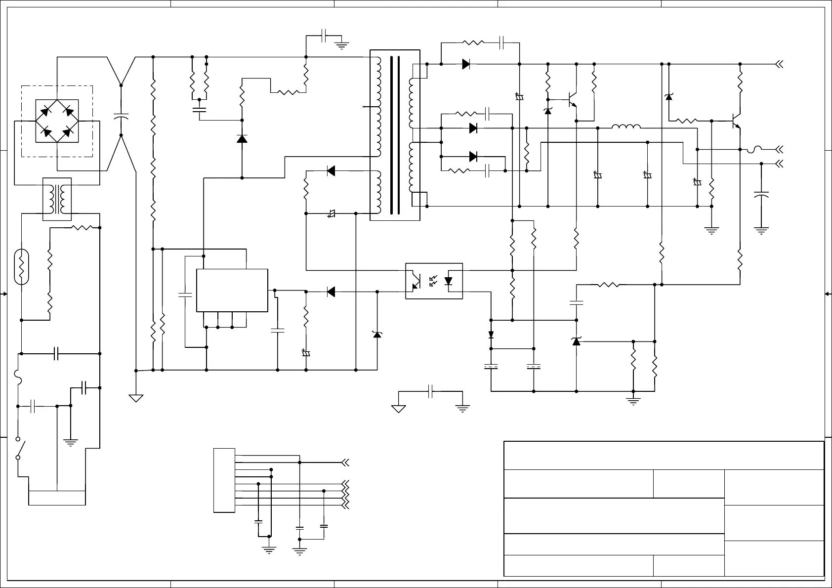
Acer X193HQ
68 pages
To Next Page IconTo Next Page
To Next Page IconTo Next Page
To Previous Page IconTo Previous Page
To Previous Page IconTo Previous Page
Loading...
5
5
4
4
3
3
2
2
1
1
D D
C C
B B
A A
275V
TO SCALER BD CN101
N
250V
250V
MEB
400V
L
V0142
A4
Acer18.5
Power SCH
2008-05-21
InnoLux
Document Number : SIZE :
TITLE :
DATE :
SHEET OF
Rev :
DRAWN BY :
CHECK BY :
APPRO BY :
PGND
+5V
ON/OFF 3
BRIGHTNESS 3
+14V
+5V
VOL 4
Audio_MUTE 4
Audio5V
R825
2.7M
12
C815
47u/25V
C823
680u 10V
R836
24K
12
D806
A02
ZD801
9V1
R814
1K
12
R813
10K
12
CN801
60mm 8P
1
2
3
4
5
6
7
8
C804
0.33u X2
12
D808
1N4003
R817
6R8
R821
330K
D805
SB5150
C816
0.1u 100V
R837
24K
12
D804
MUR1100
C814
220uF 10V
R809
150R
12
Q801
MMBT4401
1
32
C818
47u/25V
R830
330K
C820
4700P Y1
T801
SPW-093
5
6
3
1
2
11
10
9
7
12
8
R838
24K
R820
330K
L803
5uH
+
C709
220u/16V
R816
6R8
12
C825
0.1/50V
D807 SB540
C802
1n 500V
C826
1n 500V
C811
1n 500V
L801
20mH
4 1
3 2
R811
51K 1%
12
C821
2200P Y1
R833
10K NC
12
R824
2.7M
12
IC802
TOP258P
2
1
6 4
7
8
5
C
M
SD
S
S
S
C801-1
NC 1000P/250V Y2
R840
NC
12
C822
10u/16V
R842
68ohm
C
R
A
IC803
TL431
R807
2.7M
12
C808
470uF 25V
R823
100R 1W
R812
10K 1%
12
C817
0.1u 50V
R843
68ohm
P801
AC IN
1 2 3
R803
2.7M
12
R829
4.7R
12
C806
1000P Y1
RT801
5R
R818
3.3K
12
C824
NC 10u/16V
C812
680u10V
R839
150R NC
12
R832
NC
12
IC801
LTV817M
3
14
2
D807-1 SB540
R835
1.0R 1/2W
F801
2A/250V
ZD802
14V NC
R815
1K
12
R841
NC
12
C819
NA
-+
D801
BL4-06
1
2
4
3
C829
NA
R802
10R
12
SW801
SW DPST
Q802
MMBT4401 NC
1
32
C803
4n7/1KV
R822
10K
R810
5K1 1%
12
R819 200R
+
C805
68u/450V
D809
SN4148
C827
NA
F802
4A/125V
R806
4.7R
12
ZD806
NC 9.1V

Other manuals for Acer X193HQ

Related product manuals