EasyManua.ls Logo

ACP HDC12 - Page 39

ACP HDC12
44 pages
Print Icon
To Next Page IconTo Next Page
To Next Page IconTo Next Page
To Previous Page IconTo Previous Page
To Previous Page IconTo Previous Page
Loading...
37
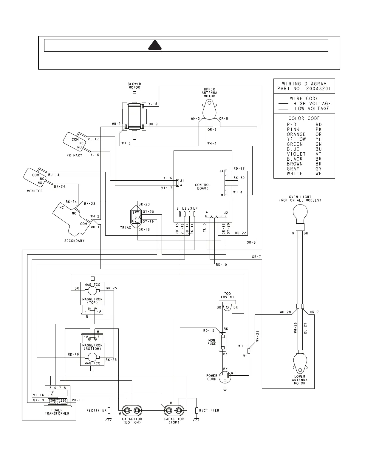
Wiring Diagram
Sample w/ CPI Control Current Production started at S/N 0911102348
YL-5
WH
WH-1
WH
BU-29
WH-28
5 8
CAPACITOR
(BOTTOM)
RD-10
BK-25
BK-25
BK
FA F
FAF
MAGNETRON
(TOP)
MAGNETRON
(BOTTOM)
MAG TCO
CAPACITOR
(TOP)
POWER
TRANSFORMER
MAG TCO
GY-19
HV
4
6 7
PK-11
W
R
R
W
RECTIFIER
RECTIFIER
208
VT-16
230COM
WIRING DIAGRAM
PART NO. 20043201
WIRE CODE
HIGH VOLTAGE
LOW VOLTAGE
COLOR CODE
RED RD
ORANGE OR
YELLOW YL
GREEN GN
BLUE BU
VIOLET VT
BLACK BK
BROWN BR
PINK PK
GRAY GY
WHITE WH
TCO
(OVEN)
MON
FUSE
BK BK
BK
BK
OVEN LIGHT
(NOT ON ALL MODELS)
BK
BKWH
LOWER
ANTENNA
MOTOR
POWER
CORD
RD-15
TCO
(OVEN)
MON
FUSE
BLOWER
MOTOR
COM
NO
NC
OR-9
WH-3
WH-2
WH-3
SECONDARY
COM
NC
COM
NO
NC
PRIMARY
MONITOR
BU-14
OR-8
BK-23
WH-1
UPPER
ANTENNA
MOTOR
NO
VT-17
YL-6
WH-2
BK-24
BK-24
BLOWER
MOTOR
COM
NO
NC
GY-20
OR-7
BR-18
RD-15
CONTROL
BOARD
J2
PK-11
RD-22
BU-14
VT-16
YL-5
J1
J4
RD-22
WH-4
VT-17
YL-6
TRIAC
1
2
G
BR-18
BK-23
GY-19
BK-30
E1 E2 E3 E4
GY-20
WH-4
OR-9
OR-8
RD-10
OR-7
WH-28
WH-26
!
WARNING
To avoid risk of electrical shock, personal injury or death, disconnect power to oven and discharge capacitor
before servicing, unless testing requires power.

Related product manuals