EasyManua.ls Logo

ACP Menumaster DEC18E2 - DEC18 E2 CPI Wiring Diagram

ACP Menumaster DEC18E2
48 pages
Print Icon
To Next Page IconTo Next Page
To Next Page IconTo Next Page
To Previous Page IconTo Previous Page
To Previous Page IconTo Previous Page
Loading...
41
5 8
CAPACITOR
(BOTTOM)
RD-10
BK-25
BK-25
BK
FA F
FAF
MAGNETRON
(TOP)
MAGNETRON
(BOTTOM)
MAG TCO
CAPACITOR
(TOP)
POWER
TRANSFORMER
MAG TCO
GY-19
230COM
HV
4
6 7
PK-11
W
R
R
W
RECTIFIER
RECTIFIER
WIRING DIAGRAM
PART NO. 20043401
WIRE CODE
HIGH VOLTAGE
LOW VOLTAGE
COLOR CODE
RED RD
ORANGE OR
YELLOW YL
GREEN GN
BLUE BU
VIOLET VT
BLACK BK
BROWN BR
PINK PK
GRAY GY
WHITE WH
MON
FUSE
BK BK
BR
BK
OVEN LIGHT
(NOT ON ALL MODELS)
BKWH
LOWER
ANTENNA
MOTOR
WH BU
RD-15
WH-26
BU-29
OR-7
WH-28
OVEN
THERMAL LINK
TOROID
TOROID
POWER
CORD
ABCD
TERM
BLK
WH-28
BU
BRBU
LINE
FILTER
BK
LINE LOAD
L1 L1
L2 L2
BRBU
BU
BR
CL
BK
CL
GN/YL
WH-1
MON
FUSE
ABCD
TERM
BLK
LINE
FILTER
LINE
L1
L2
L1
LOAD
L2
BLOWER
MOTOR
NO
NC
OR-9
WH-3
WH-2
WH-3
SECONDARY
COM
COM
NO
NC
MONITOR
BU-14
OR-8
BK-23
WH-1
UPPER
ANTENNA
MOTOR
WH-2
BK-24
BK-24
BLOWER
MOTOR
NO
NC
GY-20
OR-7
BR-18
RD-15
CONTROL
BOARD
J2
PK-11
RD-22
BU-14
COM
NC
PRIMARY
NO
VT-17
YL-6
COM
J1
J4
RD-22
WH-4
VT-17
YL-6
TRIAC
1
2
G
BR-18
BK-23
GY-20
BK-30
E1 E2 E3 E4
GY-19
WH-4
OR-9
OR-8
RD-10
!
WARNING
To avoid risk of electrical shock, personal injury or death, disconnect power to oven and discharge capacitor
before servicing, unless testing requires power.
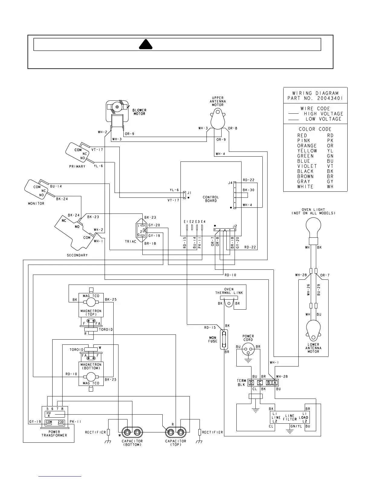
Wiring Diagram
DEC18E2 Sample w/ CPI Control started at S/N 0911102348

Related product manuals