EasyManua.ls Logo

ACP Menumaster DEC18E2 - Page 45

ACP Menumaster DEC18E2
48 pages
Print Icon
To Next Page IconTo Next Page
To Next Page IconTo Next Page
To Previous Page IconTo Previous Page
To Previous Page IconTo Previous Page
Loading...
43
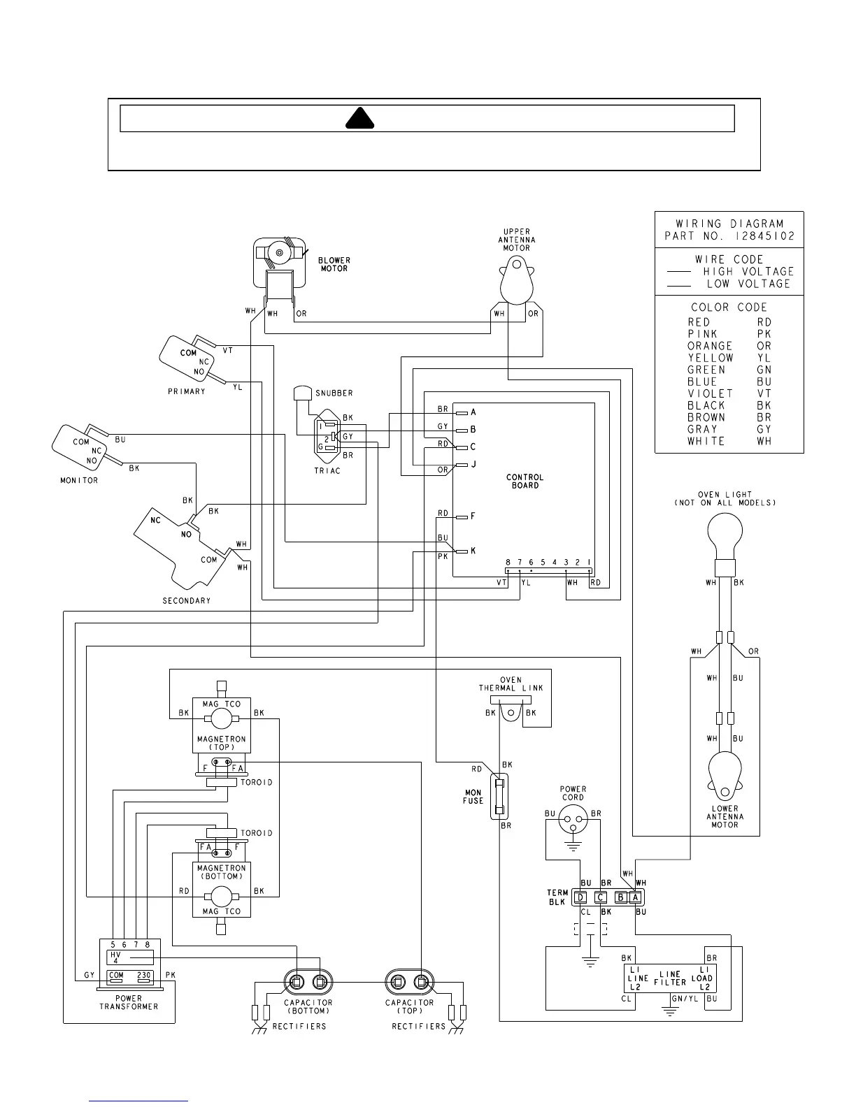
Wiring Diagram
DEC18E2 Sample w/ Invensey Control ending at S/N 0911102347
!
WARNING
To avoid risk of electrical shock, personal injury or death, disconnect power to oven and discharge capacitor
before servicing, unless testing requires power.

Related product manuals