EasyManua.ls Logo

ACPro VQ7RE - Page 19

ACPro VQ7RE
24 pages
Print Icon
To Next Page IconTo Next Page
To Next Page IconTo Next Page
To Previous Page IconTo Previous Page
To Previous Page IconTo Previous Page
Loading...
19
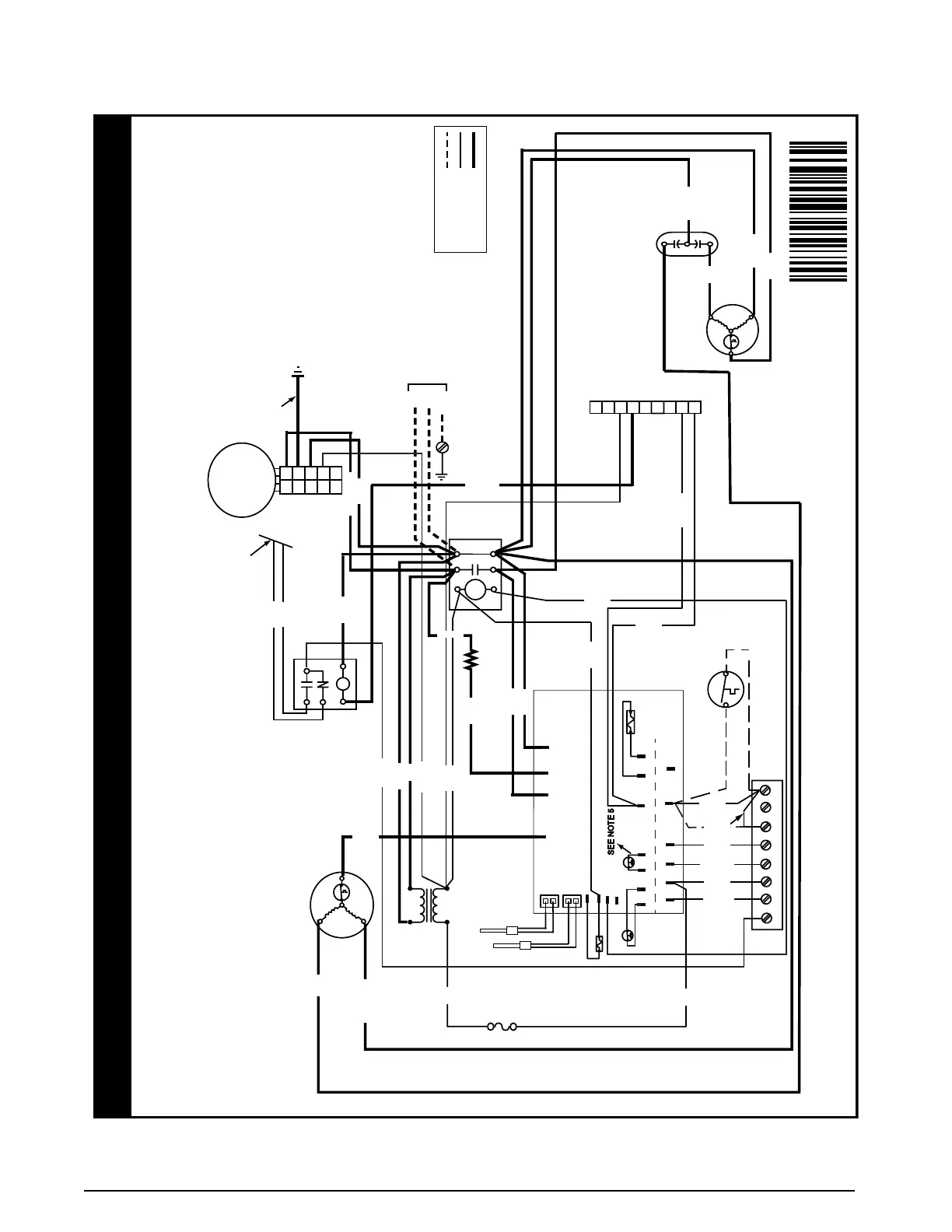
Figure 11. W.D. for 3, 3.5 & 4 Ton Models
OUTDOOR FAN
MOTOR
3 AMP
FUSE
TRANSFORMER
240V
24V
COM
BLUE
ORANGE
S
R
C
T1
T2
L2
L1
NO
NC
L1
L2
GRD
5
4
3
2
1
N
G
L
C
BLOWER
MOTOR
Y2 IN
FAN2 CCH2 CCH1
W2 IN
Y1 IN
C
R
HOT1
HOT2(24V COM)
OUTDOOR
TEMP
Y1 OUT
RV1
O
LP1LP2HP1HP2
DEFROST
CONTROL BOARD
COIL#1
TEMP
RV2
COIL
SENSOR
AMB SENSOR
FAN1
W2 OUT
Y2 OUT
CCH
RVS
4
3
2
1
8
7
6
5
9
HPS
HGBP
LPS
TO 208/230-1-60
POWER SUPPLY
BLACK
BLACK
OUTDOOR THERMOSTAT
RELAY
DUAL
CAPACITOR
COMPRESSOR
RED
YELLOW
BLACK
H
C
F
C
R
S
CONTACTOR
RY1G
O
CW2
Y2
E
SEE NOTE 7
YELLOW
(07/18)
(Replaces 711389A)
GREEN WITH
YELLOW STRIPE
SEE NOTE 5
RED
BROWN
BLACK
RED
RED
WHITE
BLACK
GREEN
GREY
ORANGE
WHITE
YELLOW
BLACK
BLACK
BLACK
BROWN
BLACK
RED
BLUE
BLACK
YELLOW
BLACK
ORANGE
RED
YELLOW
WHITE
WHITE
SEE NOTE 6
WIRING DIAGRAM
NOTES:
1. Disconnect all power before servicing.
2. For supply connections use copper conductors only.
3. Not suitable on systems that exceed 150V to ground.
4. For replacement wires use conductors suitable for 105°C.
1. Couper le courant avant de faire letretine.
2. Employez uniquement des conducteurs
en cuiver.
3. Ne convient pas aux installations de plus
de 150V a la terre.
4. Remplacement pour utiliser les fils
conducteurs adapté à 105°C.
5. Contacteur de basse pression sur une
sélection de modèles ou ponté du LP1
et LP2.
6. Consultez les directives d’installation
pour le réglage du débit d’air du moteur
du souffleur et l'emplacement des bornes.
10215710
FIELD WIRING
LEGEND:
LOW VOLTAGE
HIGH VOLTAGE
3, 3.5 , 4 TON
5. Low Pressure Switch jumpered from LP1 to LP2 (on select models)
6. See Installation Instructions for blower motor airflow setting and terminal locations.
7. Select units have factory installed HUD thermostat to limit electric heat.
If Hud application see low voltage section in the unit
Installation Instructions.
SMALL PACKAGED HEAT PUMP - SINGLE PHASE
208/230 VOLT 60 HZ

Related product manuals