EasyManua.ls Logo

ACPro VQ7RE - Page 20

ACPro VQ7RE
24 pages
Print Icon
To Next Page IconTo Next Page
To Next Page IconTo Next Page
To Previous Page IconTo Previous Page
To Previous Page IconTo Previous Page
Loading...
20
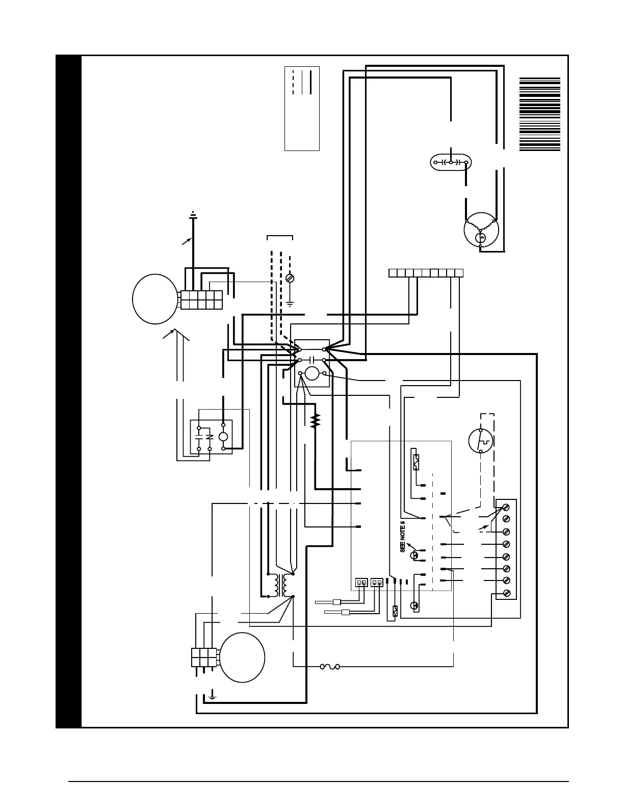
Figure 12. W.D. for 5 Ton Models
3 AMP
FUSE
TRANSFORMER
240V
24V
COM
T1
T2
L2
L1
NO
NC
L1
L2
GRD
5
4
3
2
1
N
G
L
C
OUTDOOR
MOTOR
Y2 IN
FAN2 CCH2 CCH1
W2 IN
Y1 IN
C
R
HOT1
HOT2(24V COM)
OUTDOOR
TEMP
Y1 OUT
RV1
O
LP1LP2HP1HP2
DEFROST
CONTROL BOARD
COIL#1
TEMP
RV2
COIL
SENSOR
AMB SENSOR
W2 OUT
Y2 OUT
CCH
RVS
4
3
2
1
8
7
6
5
9
OUTDOOR THERMOSTAT
HPS
HGBP
LPS
TO 208/230-1-60
POWER SUPPLY
DUAL
CAPACITOR
COMPRESSOR
RED
BLACK
H
C
F
C
R
S
YELLOW
L
N
G
1
2
3
BLOWER
MOTOR
YELLOW
WHITE
BLACK
Y/G
BLACK
BROWN
RELAY
FAN1
CONTACTOR
RY1G
O
CW2
Y2
E
SEE NOTE 7
BLACK
RED
YELLOW
WHITE
WHITE
ORANGE
YELLOW
SEE NOTE 5
RED
BROWN
BLACK
RED
RED
WHITE
BLACK
GREEN
GREY
ORANGE
WHITE
YELLOW
BLACK
BLACK
BLACK
BROWN
BLACK
RED
BLUE
YELLOW
ORANGE WITH
YELLOW STRIPE
BLUE
208/230 VOLTSMALL PACKAGED HEAT PUMP - SINGLE PHASE 60HZ
WIRING DIAGRAM
NOTES:
1. Disconnect all power before servicing.
2. For supply connections use copper conductors only.
3. Not suitable on systems that exceed 150V to ground.
4. For replacement wires use conductors suitable for 105°C.
1. Couper le courant avant de faire letretine.
2. Employez uniquement des conducteurs
en cuiver.
3. Ne convient pas aux installations de plus
de 150V a la terre.
4. Remplacement pour utiliser les fils
conducteurs adapté à 105°C.
5. Contacteur de basse pression sur une
sélection de modèles ou ponté du LP1
et LP2.
6. Consultez les directives d’installation
pour le réglage du débit d’air du moteur
du souffleur et l'emplacement des bornes.
10270490
(05/19)
FIELD WIRING
LEGEND:
LOW VOLTAGE
HIGH VOLTAGE
5 TON
5. Low Pressure Switch jumpered from LP1 to LP2 (on select models).
(Replaces 10215720)
SEE NOTE 6
6. See Installation Instructions for blower motor airflow setting and terminal locations.
7. Select units have factory installed HUD thermostat to limit electric heat.
If Hud application see low voltage section in the unit
Installation Instructions

Related product manuals