EasyManua.ls Logo

Acra 46SF - Specification of T Slot

Acra 46SF
36 pages
Print Icon
To Next Page IconTo Next Page
To Next Page IconTo Next Page
To Previous Page IconTo Previous Page
To Previous Page IconTo Previous Page
Loading...
14
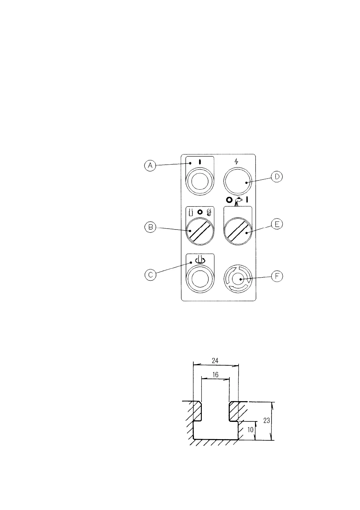
(4) Turn the handle downwards, when the spindle leaving 1
st
limit switch (hear the sound), push the
start button A, spindle will begin to run and prepare for tapping.
(5) When reaching the bottom of your tapping depth, the spindle will reverse automatically. Release
the handle, the spindle will return upwards to its original position, then stop running.
(6) CAUTION: When in emergency or tapping drill was stuck in the tapping hole. Punch the
EMERGENCY switch F to stop the spindle running. Use button C for instant reverse of the
spindle.
(7) After finishing your tapping work, remember to turn the select switch B to “NEUTRAL”
position.
(8) E is coolant pump switch.
(9) D is power indicator.
Fig. 3
14. SPECIFICATION OF T-SOLT
The size of T-Solt on table as Fig 6:
RF-46BSF Fig. 6