EasyManua.ls Logo

ADF 100 DUO - Flue Installation and Outlet

ADF 100 DUO
29 pages
Print Icon
To Next Page IconTo Next Page
To Next Page IconTo Next Page
To Previous Page IconTo Previous Page
To Previous Page IconTo Previous Page
Loading...
18
5 - Flue Installation
Flue type: Triple skin flue, 200mm/250mm/300mm or 8”/10”/12”. The Active 200mm flue must be a
tight fit into the heater collar.
The flue is Triple Skin from teh top of the heater / Zero Clearance
Box.
The heater must have its own dedicated flue. The active flue must be 8” for the entire length of
the flue, and always less than 45 degrees from the vertical.
Replacement room air from outside equivalent to 160cm2 must be supplied into the room.
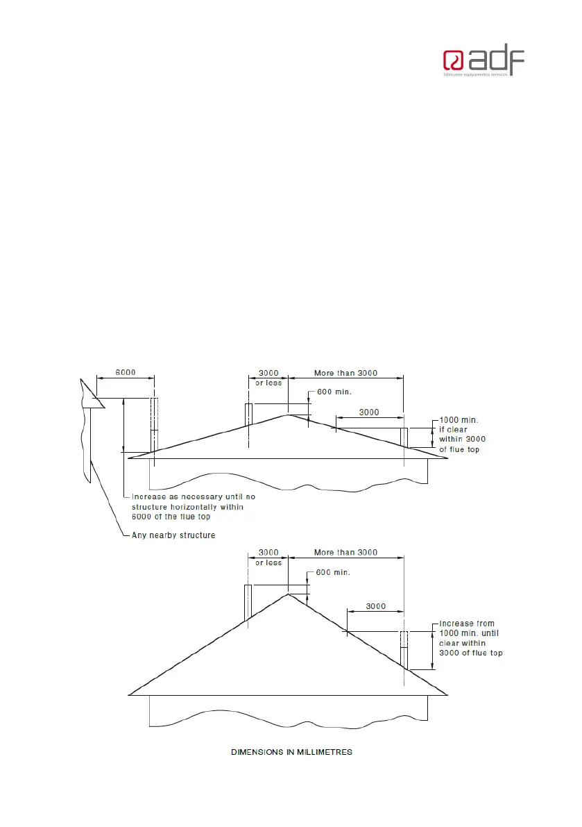
Flue Outlet Positions
Minimum Flue Height as per AS/NZS 2918:2018