EasyManua.ls Logo

ADJ ENCORE FR50Z - Fixture Overview; Component Identification

ADJ ENCORE FR50Z
24 pages
Print Icon
To Next Page IconTo Next Page
To Next Page IconTo Next Page
To Previous Page IconTo Previous Page
To Previous Page IconTo Previous Page
Loading...
9
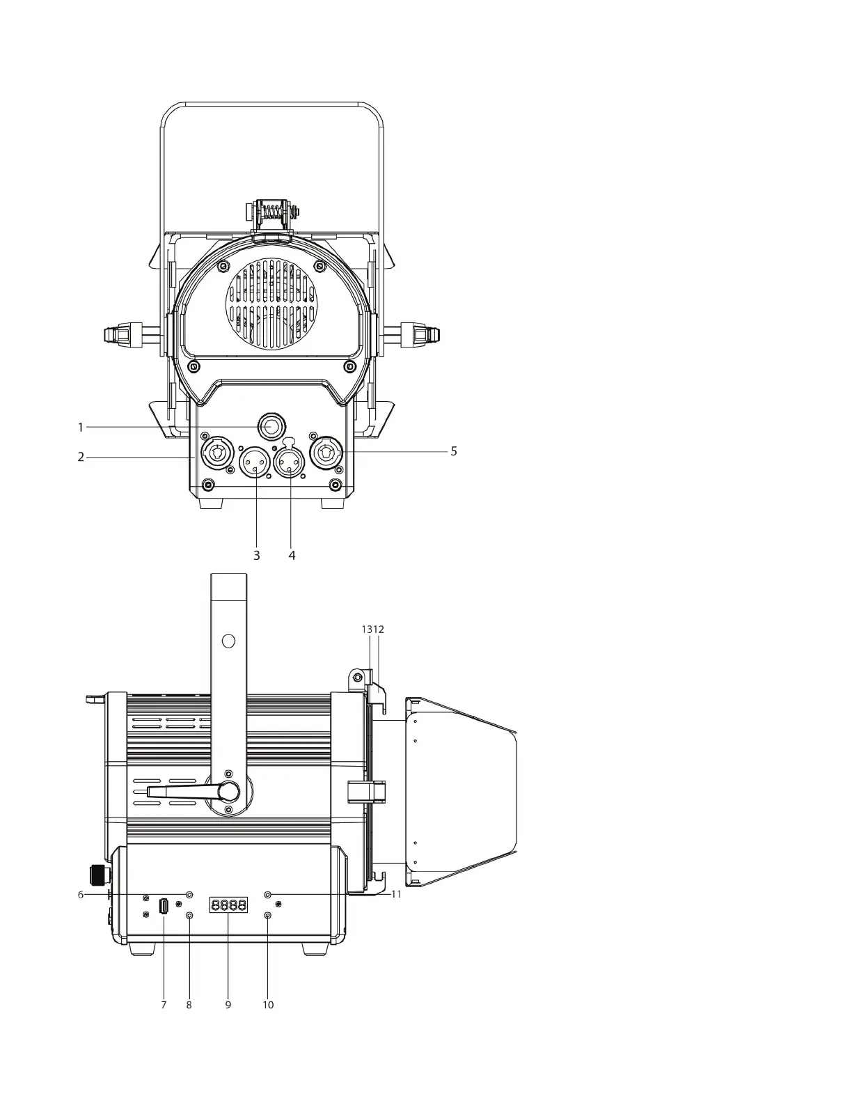
1. Zoom Adjustment Knob
2. Power In
3. 3-Pin DMX In
4. 3-Pin DMX Out
5. Power Out
6. Mode Button
7. USB Port
8. Enter Button
9. LCD Menu Control Display
10. Down Button
11. Up Button
12. Barn Door Secure Lock
13. Gel Frame
FIXTURE OVERVIEW

Other manuals for ADJ ENCORE FR50Z

Related product manuals