EasyManua.ls Logo

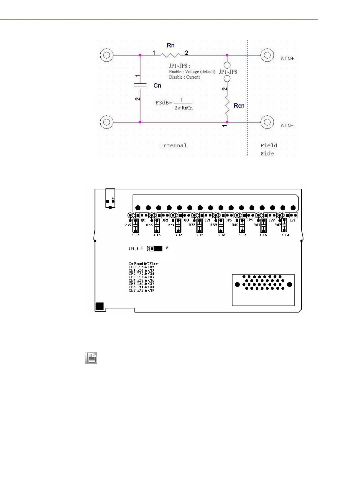
Advantech ADAM-5051 - Figure 1.19 Locations of RC Filter Jumper Setting

Advantech ADAM-5051
92 pages
Print Icon
To Next Page IconTo Next Page
To Next Page IconTo Next Page
To Previous Page IconTo Previous Page
To Previous Page IconTo Previous Page
Loading...
ADAM-5000 Series User Manual 14
Figure 1.19 Locations of RC Filter Jumper Setting
Figure 1.20 Locations of RC Filter Jumper Setting
Note! To maintain measurement accuracy please short channels not in use.

Table of Contents

Related product manuals