EasyManua.ls Logo

AEG BSS 4808 - Overview of Device Controls

AEG BSS 4808
Print Icon
To Next Page IconTo Next Page
To Next Page IconTo Next Page
To Previous Page IconTo Previous Page
To Previous Page IconTo Previous Page
Loading...
Übersicht der Bedienelemente
3
Locatie van bedieningselementen
Situation des commandes
Ubicación de los controles
Posizione dei comandi
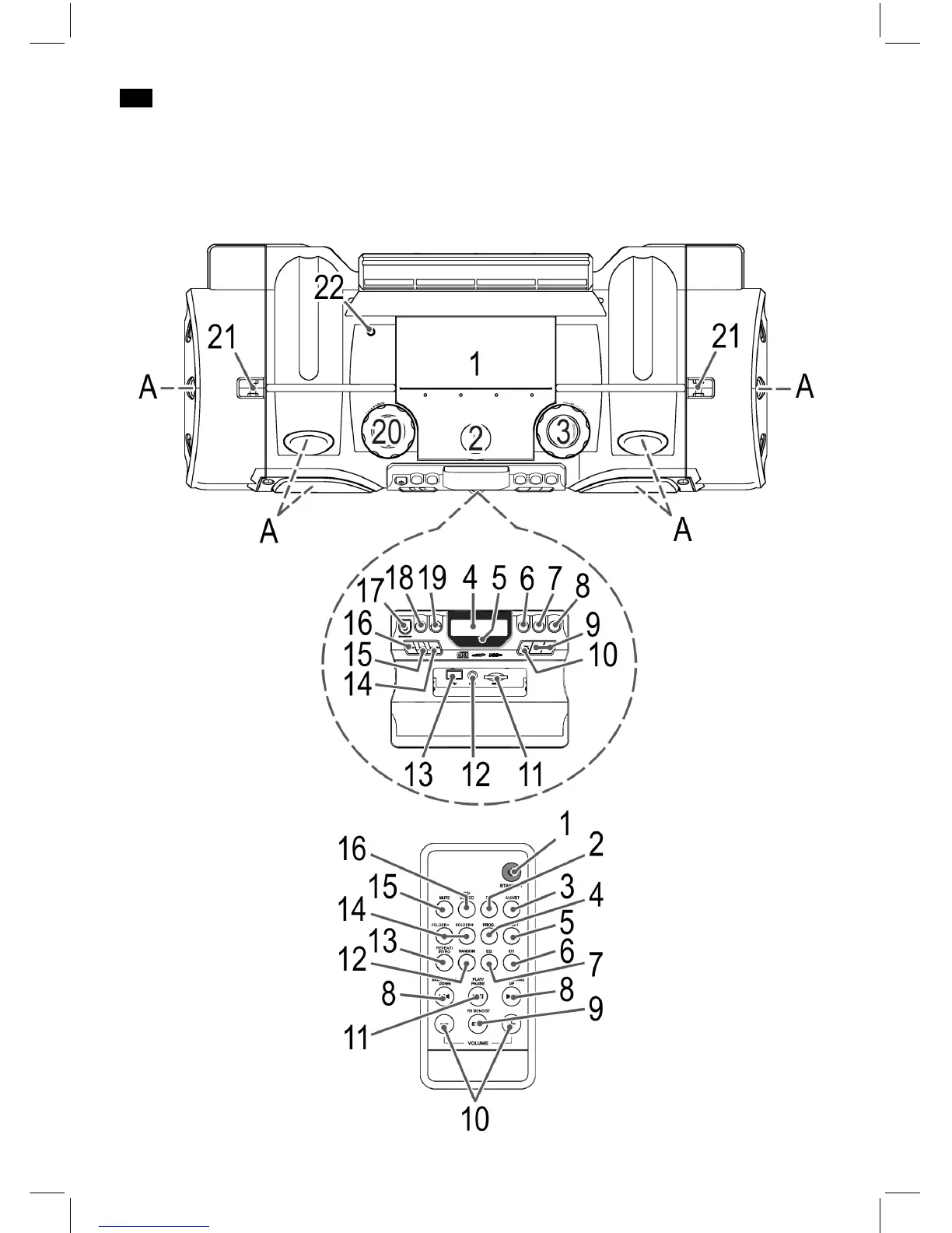
Location of Controls
Lokalizacja kontrolek
A Kezelőszervek Elhelyezkedése
Розташування органів керування
Расположение элементов

Related product manuals