EasyManua.ls Logo

AEG VB 40.5 - Page 34

AEG VB 40.5
41 pages
Print Icon
To Next Page IconTo Next Page
To Next Page IconTo Next Page
To Previous Page IconTo Previous Page
To Previous Page IconTo Previous Page
Loading...
30
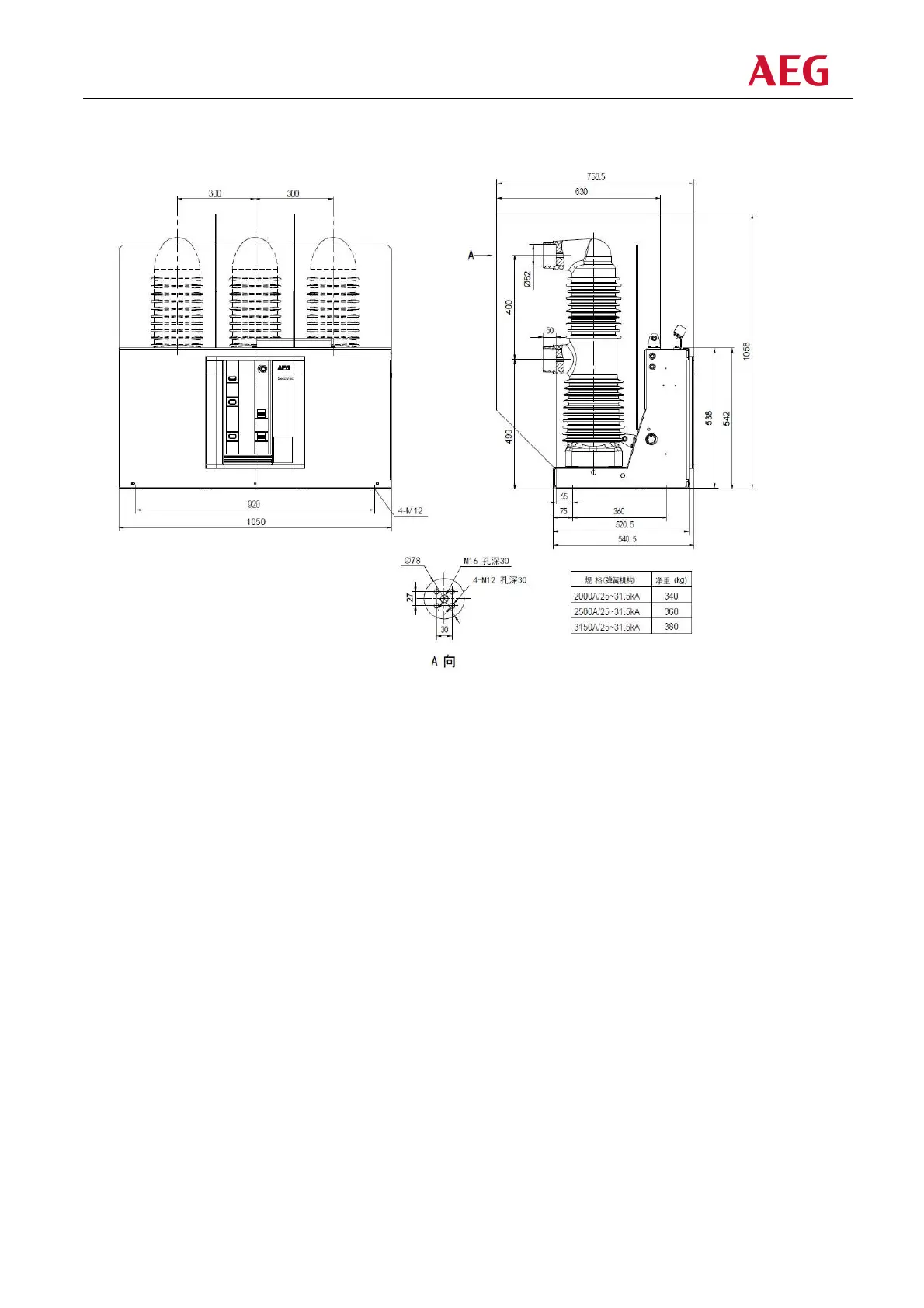
固定式-相距300mm

Related product manuals