EasyManua.ls Logo

AEI DK-9830 - Wiring Diagram for Access Control Keypad

Default Icon
4 pages
Print Icon
To Previous Page IconTo Previous Page
To Previous Page IconTo Previous Page
Loading...
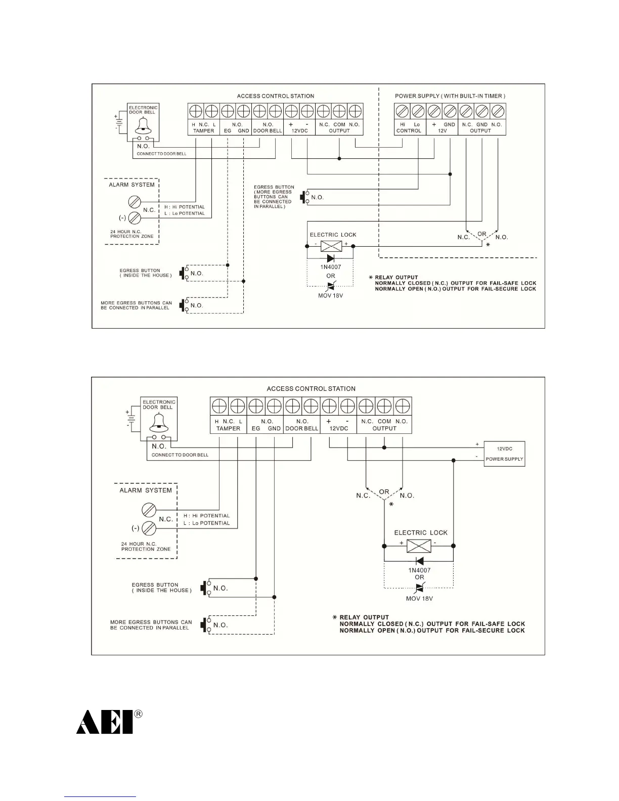
9. WIRING DIAGRAM
(1) The Access Control Keypad controls the apparatus Via Power Supply
(2) The Access Control Keypad directly controls the connecting apparatus (Note : Max Rating of Relay Contact Current
3A/24VDC)
Manufacturer and Exporter
ADVANCED ELECTRONICS INDUSTRY LTD.
HONG KONG
4
DK-9830 / 20130513-0302

Related product manuals