EasyManua.ls Logo

AERMEC AN 150 A - Page 52

AERMEC AN 150 A
68 pages
Print Icon
To Next Page IconTo Next Page
To Next Page IconTo Next Page
To Previous Page IconTo Previous Page
To Previous Page IconTo Previous Page
Loading...
52
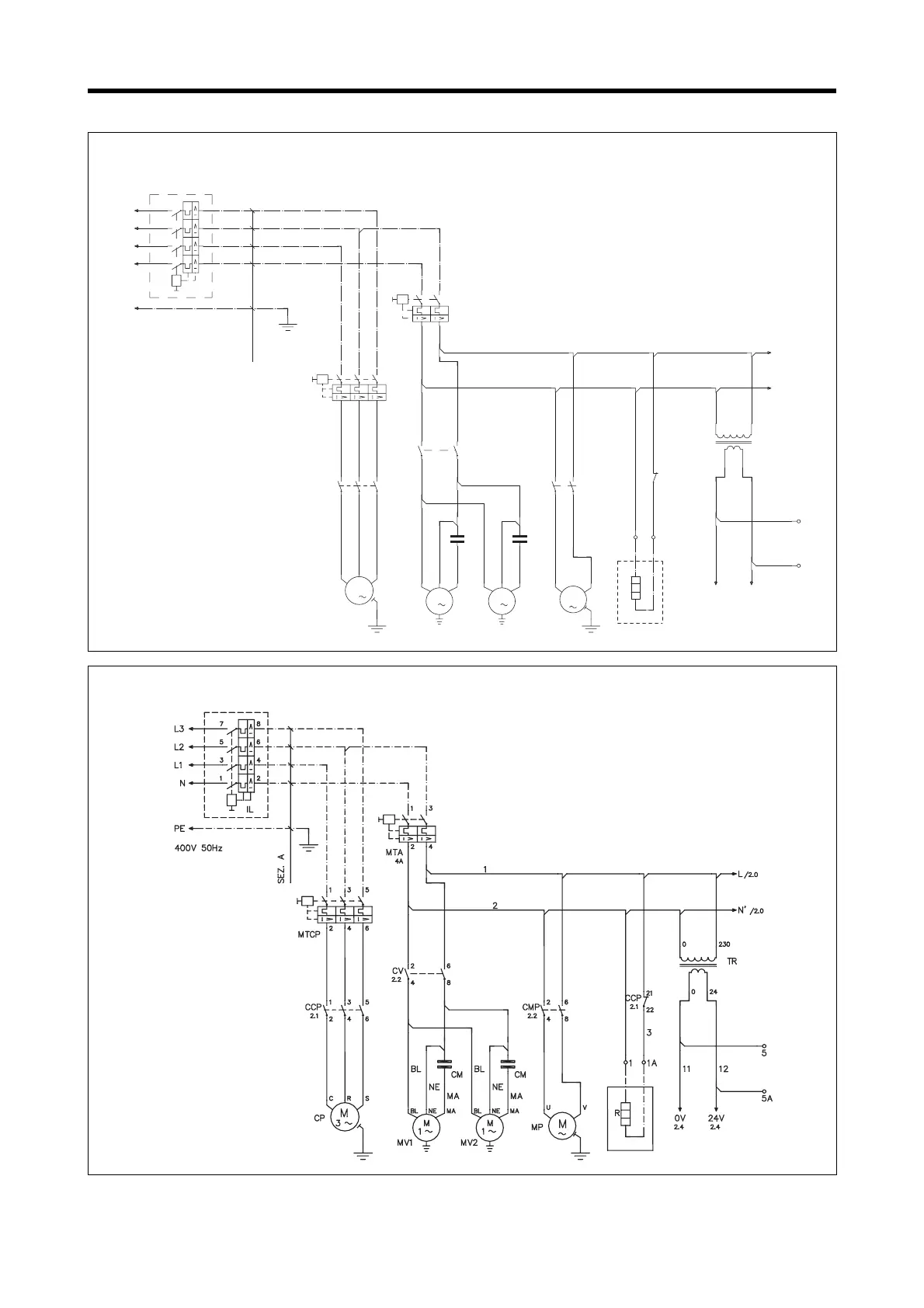
Gli schemi elettrici sono soggetti ad aggiornamento; è opportuno fare riferimento allo schema elettrico allegato all'apparecchio.
Wiring diagrams may change for updating. It is therefore necessary to refer always to the wiring diagram inside the units.
SCHEMI ELETTRICI • WIRING DIAGRAMS
400V 50Hz
L3
L2
L1
N
PE
IL
7
5
3
1
8
6
4
2
SEZ. A
MTCP
1
2
3
4
5
6
CCP
1
2
M
3
CP
CRS
3
4
5
6
4A
MTA
1
2
3
4
CV
2
4
BL
M
1
MV1
BL NE MA
NE
6
8
CM
MA
BL
M
1
MV2
BL NE MA
NE
CM
MA
CMP
2
4
M
MP
UV
6
8
1
R
CCP
21
22
3
1A
1
2
TR
0
024
230
11
0V
12
24V
L
N'
4
4A
AN 050A - 080A
AN 090A

Related product manuals