EasyManua.ls Logo

AERMEC FCL 32 - Page 82

AERMEC FCL 32
84 pages
Print Icon
To Next Page IconTo Next Page
To Next Page IconTo Next Page
To Previous Page IconTo Previous Page
To Previous Page IconTo Previous Page
Loading...
82
IFCLTY 1112 - 4528511_04
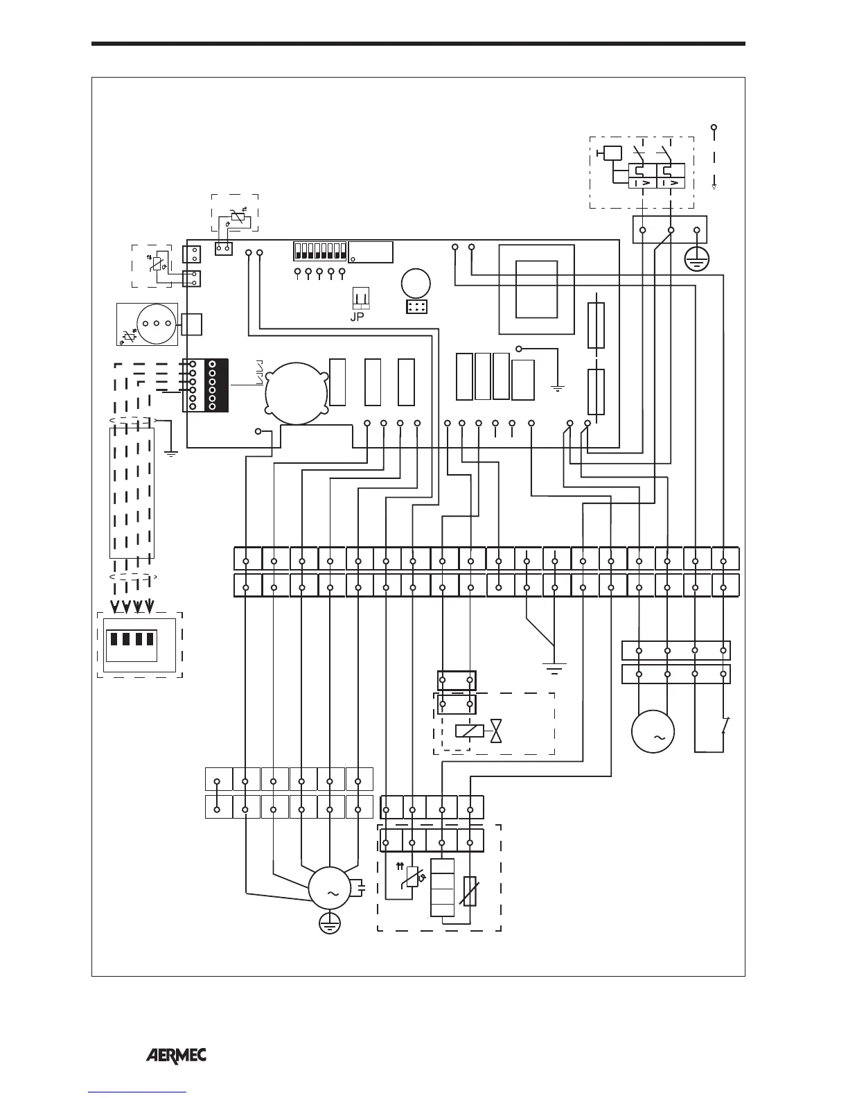
SCHEMI ELETTRICI • WIRING DIAGRAMS • SCHEMAS ELECTRIQUES • SCHALTPLÄNE • ESQUEMAS ELÉCTRICOS
Gli schemi elettrici sono soggetti ad un continuo aggiornamento, è obbligatorio quindi fare riferimento a quelli a bordo macchina.
All wiring diagrams are constantly updated. Please refer to the ones supplied with the unit.
Nos schémas électriques étant constamment mis à jour, il faut absolument se référer à ceux fournis à bord de nos appareils.
Die Schaltpläne werden ständig aktualisiert, deswegen muss man sich stets auf das mit dem Gerät gelieferte Schaltschema beziehen.
El cableado de las máquinas es sometido a actualizaciones constantes. Por favor, para cada unidad hagan referencia a los esquemas suministrados con la misma.
CE
GND
CF
A
B
GND
RS485
TX/RX
GND
TTL
BL1,5
7
MA1,5
1
M
MP
4
3
2
1
F 10A F 2A
+
RL1 RL2 RL3
RL4 RL5 RL6
RL7
LNN
AUX/RE
MAY2Y1N1V3V2V1
N
TR1
M28
M14
M27
C1
M25
M22
CN2
CN1
CN3
L17
M21
M19
M20
M18
M17
M16
M15
M3
F2 F3
L
N
1
2
3
4
5
6
1
2
3
4
5
6
TX/RX
5V
MODE
GND-TTL
3
1818
5
16
8
8
9
22
11
1515
NE
MA
GR
RO
BI
BI
VI
AR
12
12
1313
1111
66
1717
MA
MA 1,5
BL 1,5
10
10
3
4
4
1414
7
AMP
BL
NE
NE
5
16
9
MAX
NE
ALTA
MED
MIN
11
3
44
M
1
55
66
22
MV
MAROGR BL
3
NE
MA
BL
GR
RO
1
2
1
2
3
4
3
4
SR
RXL
4
3
2
1
Dis.4818571_03
MA 1,5
BL
230V 50Hz
NL
IG
PE
BL
BL
1
SW1
SW4
WMF-SW1
1234
1234
E4
VHL1
VHL20
VHL2
VHL22
FCL_VL
SA
LED
FCL _ VL
GLL10N / GLL20N
+ VHL1 / VHL2
+ VHL20 / VHL22
+ RXL

Other manuals for AERMEC FCL 32

Related product manuals