EasyManua.ls Logo

AERMEC FCL 36 - GLL Unit Wiring Diagrams

AERMEC FCL 36
84 pages
Print Icon
To Next Page IconTo Next Page
To Next Page IconTo Next Page
To Previous Page IconTo Previous Page
To Previous Page IconTo Previous Page
Loading...
75
IFCLTY 1112 - 4528511_04
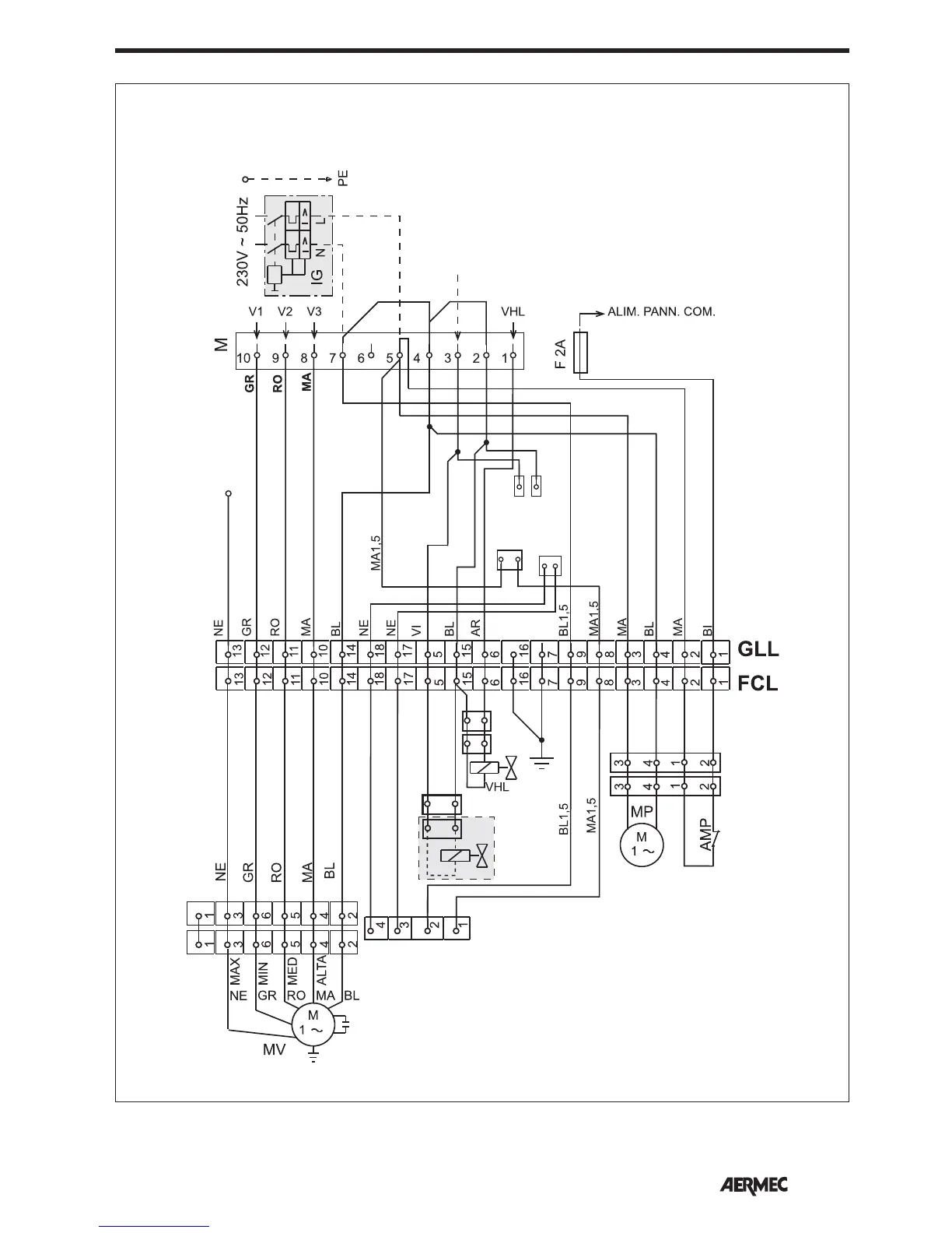
SCHEMI ELETTRICI • WIRING DIAGRAMS • SCHEMAS ELECTRIQUES • SCHALTPLÄNE • ESQUEMAS ELÉCTRICOS
Gli schemi elettrici sono soggetti ad un continuo aggiornamento, è obbligatorio quindi fare riferimento a quelli a bordo macchina.
All wiring diagrams are constantly updated. Please refer to the ones supplied with the unit.
Nos schémas électriques étant constamment mis à jour, il faut absolument se référer à ceux fournis à bord de nos appareils.
Die Schaltpläne werden ständig aktualisiert, deswegen muss man sich stets auf das mit dem Gerät gelieferte Schaltschema beziehen.
El cableado de las máquinas es sometido a actualizaciones constantes. Por favor, para cada unidad hagan referencia a los esquemas suministrados con la misma.
VHL1 / VHL2
VHL20 / VHL22
VHL1 / VHL2
VHL20 / VHL22
FCL
GLL10 / GLL20
+ VHL1 / VHL2
+ VHL20 / VHL22

Other manuals for AERMEC FCL 36

Related product manuals