EasyManua.ls Logo

AES Remora Mini - Wiring Diagram & Electrical Connection; Wiring Diagram

AES Remora Mini
31 pages
Print Icon
To Next Page IconTo Next Page
To Next Page IconTo Next Page
To Previous Page IconTo Previous Page
To Previous Page IconTo Previous Page
Loading...
- 25 -
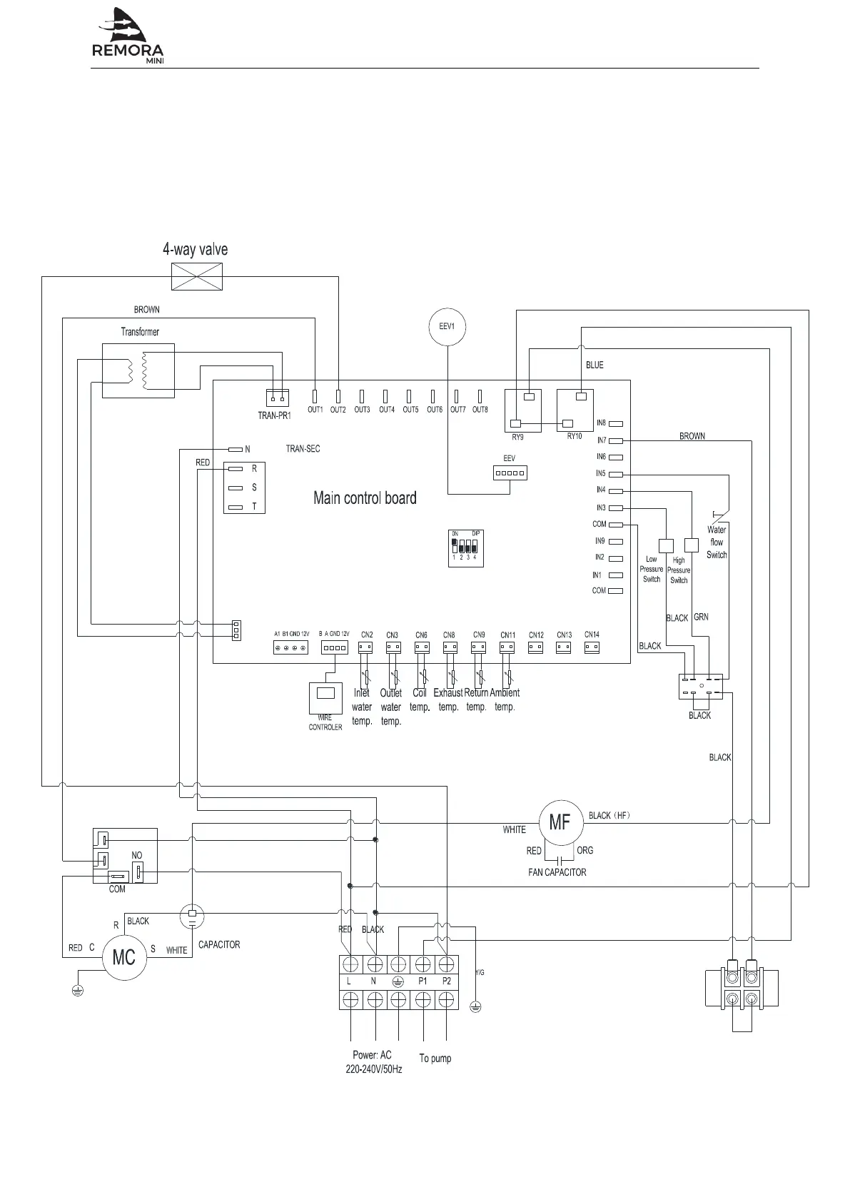
9. WIRING DIAGRAM & ELECTRICAL CONNECTION
9.1 Wiring diagram
Please refer to the wiring diagram on the electric box.
Models: Remora m3, Remora m5, Remora m7
-
-
Automated Environmental Systems Ltd., Unit 1, 1 Wimbledon Avenue, Brandon, Suffolk IP27 0NZ
01842 819130 | sales@automatedenvironmentalsystems.co.uk

Related product manuals