EasyManua.ls Logo

AGA AIMS EC3 - Wiring Diagram; To Test the Aims Control Handset

AGA AIMS EC3
16 pages
Print Icon
To Next Page IconTo Next Page
To Next Page IconTo Next Page
To Previous Page IconTo Previous Page
To Previous Page IconTo Previous Page
Loading...
7
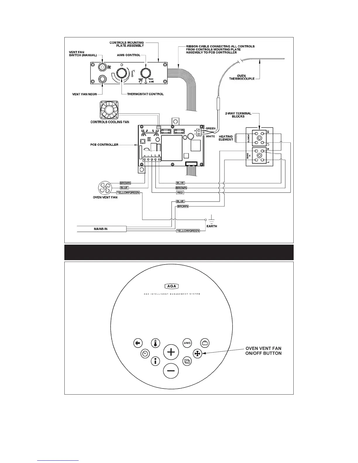
Fig. 2
TO TEST THE AIMS CONTROL HANDSET
Press the fan button on the handset, the vent fan symbol should show on the handset screen.
The oven vent fan should operate and the fan oven neon on the control panel should
illuminate.
Press the fan button again and the fan should go off.
Fig. 3

Related product manuals