EasyManua.ls Logo

Airstream Interstate 2019 - 12-Volt Schematics

Airstream Interstate 2019
128 pages
Print Icon
To Next Page IconTo Next Page
To Next Page IconTo Next Page
To Previous Page IconTo Previous Page
To Previous Page IconTo Previous Page
Loading...
Maintenance
9-18 2019 Interstate
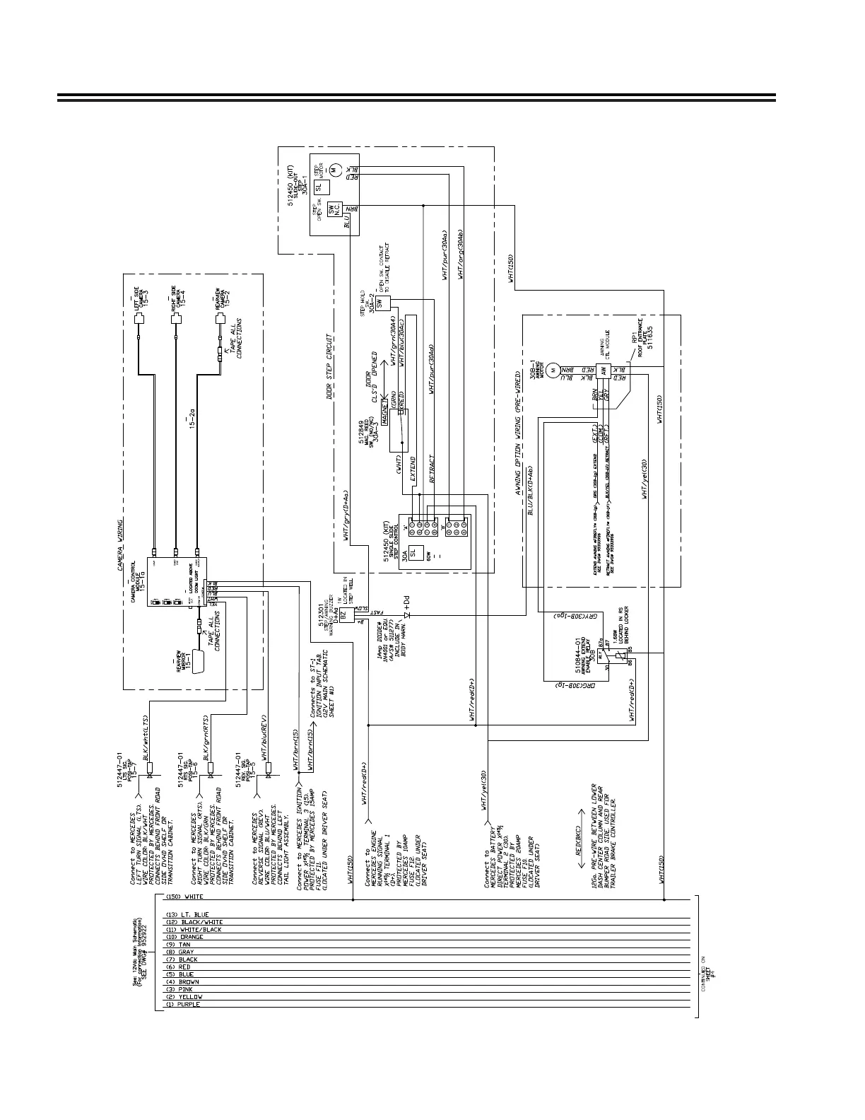
12-Volt Schematic

Table of Contents

Related product manuals