EasyManua.ls Logo

Airwell FBF030 - Page 46

Airwell FBF030
113 pages
Print Icon
To Next Page IconTo Next Page
To Next Page IconTo Next Page
To Previous Page IconTo Previous Page
To Previous Page IconTo Previous Page
Loading...
8-3
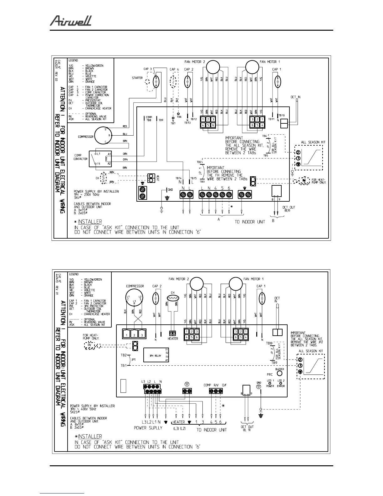
WIRING DIAGRAMS
SM FBFRPM 1-A.0 GB
8.5 Outdoor Unit: GCN 37NRC
8.6 Outdoor Unit: GCN 37NRCT

Related product manuals