EasyManua.ls Logo

Aiwa HV-E212 - Page 26

Aiwa HV-E212
70 pages
Print Icon
To Next Page IconTo Next Page
To Next Page IconTo Next Page
To Previous Page IconTo Previous Page
To Previous Page IconTo Previous Page
Loading...
.
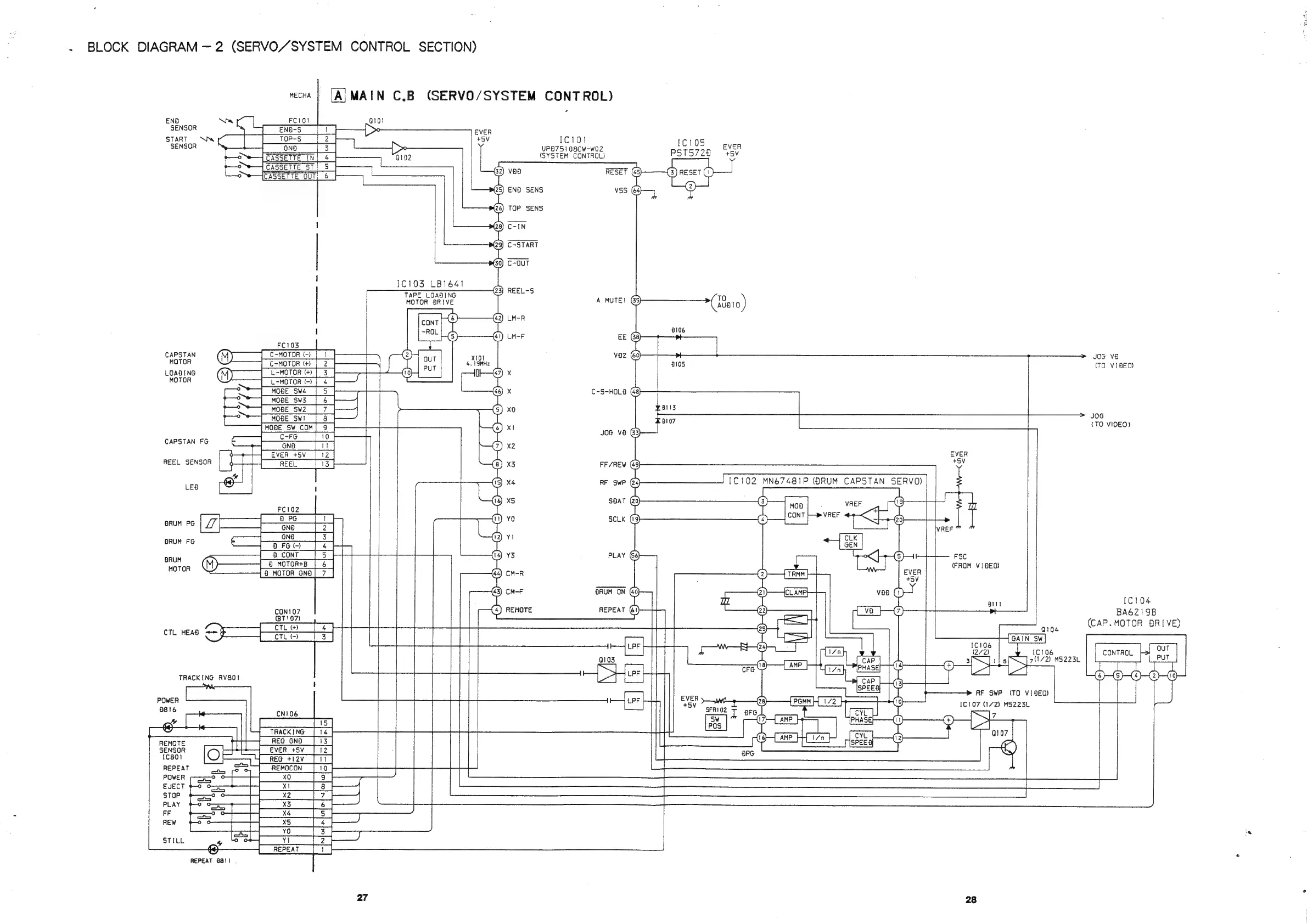
BLOCK
DIAGRAM
2
(SERVO/SYSTEM
CONTROL
SECTION)
wechs
|
[A]MAIN
C.B
(SERVO/SYSTEM
CONTROL)
END
Now
se
FCIO!
Q101
SENSOR
ENO-S
i
!
o
EVER
START
NNO
+5V
Ic101
105
SENSOR
|
|
GNA
3
UP875
1
O8CW-WO2
peeeae
9
.
CASSETTE
IN|
4
Q102
(SYSTEM
CONTROL)
+5V
0
CASSETTE
ST’
5
ee
0
CASSETTE
OUT;
6
veo
RESET
(45}
ENO
SENS
vss
64)
TOP
SENS
C-IN
C-START
1C103
LBI641
TAPE
LOABING
MOTOR
ORIVE
62
G5)
G4)
G8)
29)
0)
@3)
A
MUTE!
TO
g
(Ae10
)
8106
y
i
sea
va2
60)
JoG
va
9105
(TO
VIQEO)
FC103
capstan
=
(MY
e-nOTOR
TJ
MOTOR
Longine
=
(Mf
E-woron
ws]
MOTOR
JOG
5107
(TO
VIDEO)
capstan
FO
©
ag
|_}~Ever
sev
12
|
REEL
SENSOR
a
EVER
G9)
+5V
24)
[C102
MN67481P
(RUM
CAPSTAN
SERVO)
FF/REW
REEL
113
i
Y
RF
SWwP
LE®
~~
1
SBAT
LLL
SCLK
QORUM
PG
VREF
QRUM
FG
-——-
FSC
(FROM
VIDEO)
Beale
D
MOTORYB
|
6
4
MOTOR
GNO
QRUM
ON
CM-F
Be
REMOTE
REPEAT
oT]
[C104
BA&219B
(CAP.MOTOR
ARI
VE)
Alit
CON107
(BT'07)
[enw
eT
cTL
HEAD
S=
RF
TRACKING
RV801
RF
SWP
(TO
VI®EO)
{C107
(172)
MS223L
ee
POWER
9816
SFR1I02
NI
OFG
CNI06
I
+SV
s
AMP
ieee
(AMP
|
ie
E
PHAS
ES
EH
YY
TRACKING
REMOTE
REG GND
|
13
|
SENSOR
4
i
ever
+SV_
|
12
|
(c8ol
REG
+12v
[11
REPEAT
RENOcON
|
10}
POWER
p
xO
EJECT
xa
+}
STOP
“a
Da
m
Uv
ful
>
4
s
REPEAT
O8l!
.

Related product manuals