EasyManua.ls Logo

Aiwa HV-E212 - System Diagrams and IC Details; Block Diagrams, Schematics & Waveforms

Aiwa HV-E212
70 pages
Print Icon
To Next Page IconTo Next Page
To Next Page IconTo Next Page
To Previous Page IconTo Previous Page
To Previous Page IconTo Previous Page
Loading...
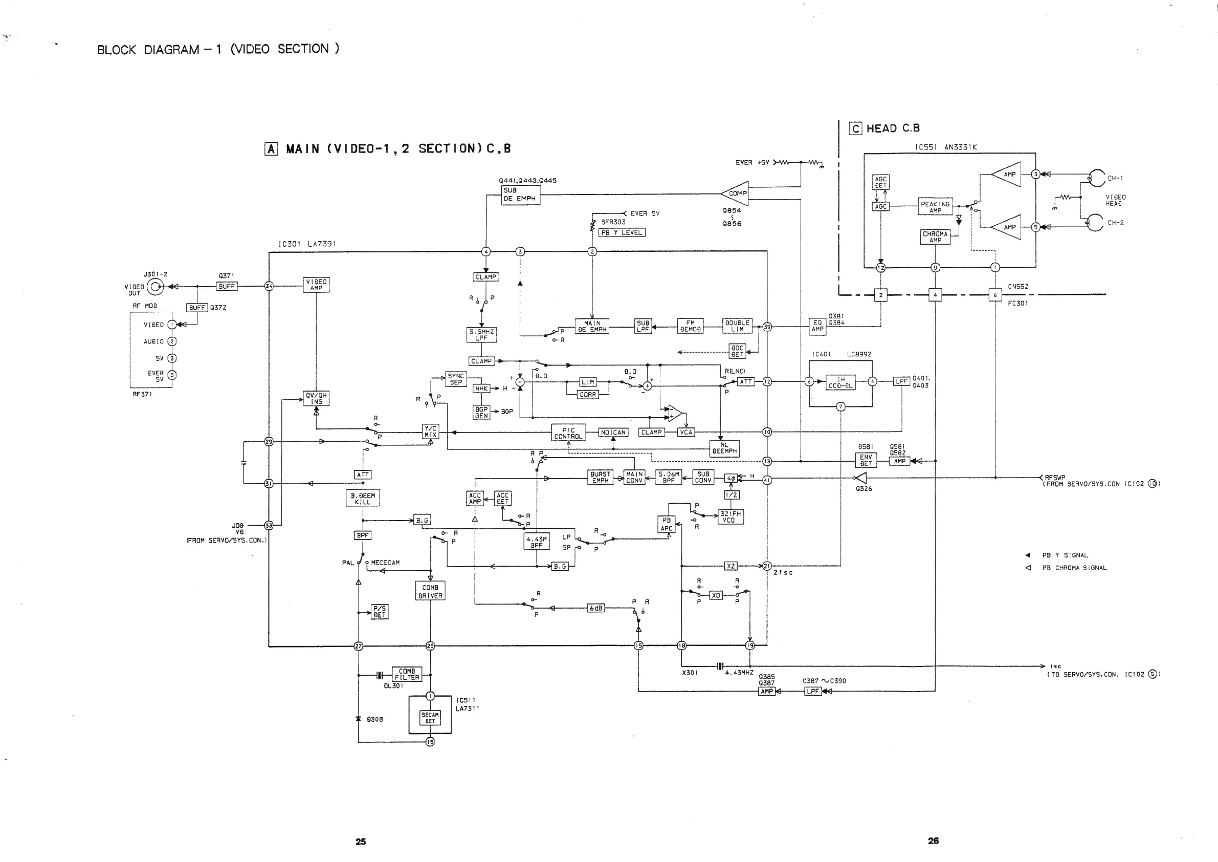
BLOCK
DIAGRAM
—1
(VIDEO
SECTION
)
J301-2
VIBE
oO
é
OUT
RF
MOa
|
VIBEO
(1)
AUalO
SV
“8
@
RF371
Q37)
0372
[A]
MAIN
(VIDEO-1,
1C301
LA7391
VIQEO
69
INS
29)
ro
ATT
G1)
<q
B.
SEEM
KILL
G3)
BPF
(FROM
SERVO/SYS.CON.)
PAL
9 9
MECECAM
9308
2
SECTION)
C.B
0441,0443,0445
SuB
DE
EMPH
CLAMP
R
4
4
P
3.
SMHZ
LPF
|
ACC ACC
AMP
AeT
[BG
A
@)
Icst1
LA7311
SECAM
BET
(19)
p<
EVER
SV
z
SFR303
PB
Y
LEVEL
(2)
MAIN
SUB
ofp
LB
_EMPH
LPF
Pl
CONV
FM
DOUBLE
demon
LIM
9)
DOC
as
See
DET
BPF
EVER
+5V
WW
ass4
§
Q856
R(LNC)
oO
tI]
@!)
2tsc
S
EY
ial
(18)
(19)
X301
4.43MHZ
938s
Q387
[An®
je
——{LPF
1c401
ENV
oe
C387
~
C390
(C]
HEAD
C.B
Ics5i
AN3331K
PEAK
ING
AMP
LC8992
Q401,
LPF
g403
ccaeat
26
<
4d
RE
SWP
(FROM
SERVO/SYS.CON
1C102
@®)
PB
Y
SIGNAL
PB
CHROMA
SIGNAL
tse
(TO
SERVO/SYS.CON.
1c102
©)
Oe
hate
Nese
tnt
tee
othe
Se
a
ey

Related product manuals