EasyManua.ls Logo

Akai CD-22 - Page 23

Akai CD-22
37 pages
Print Icon
To Next Page IconTo Next Page
To Next Page IconTo Next Page
To Previous Page IconTo Previous Page
To Previous Page IconTo Previous Page
Loading...
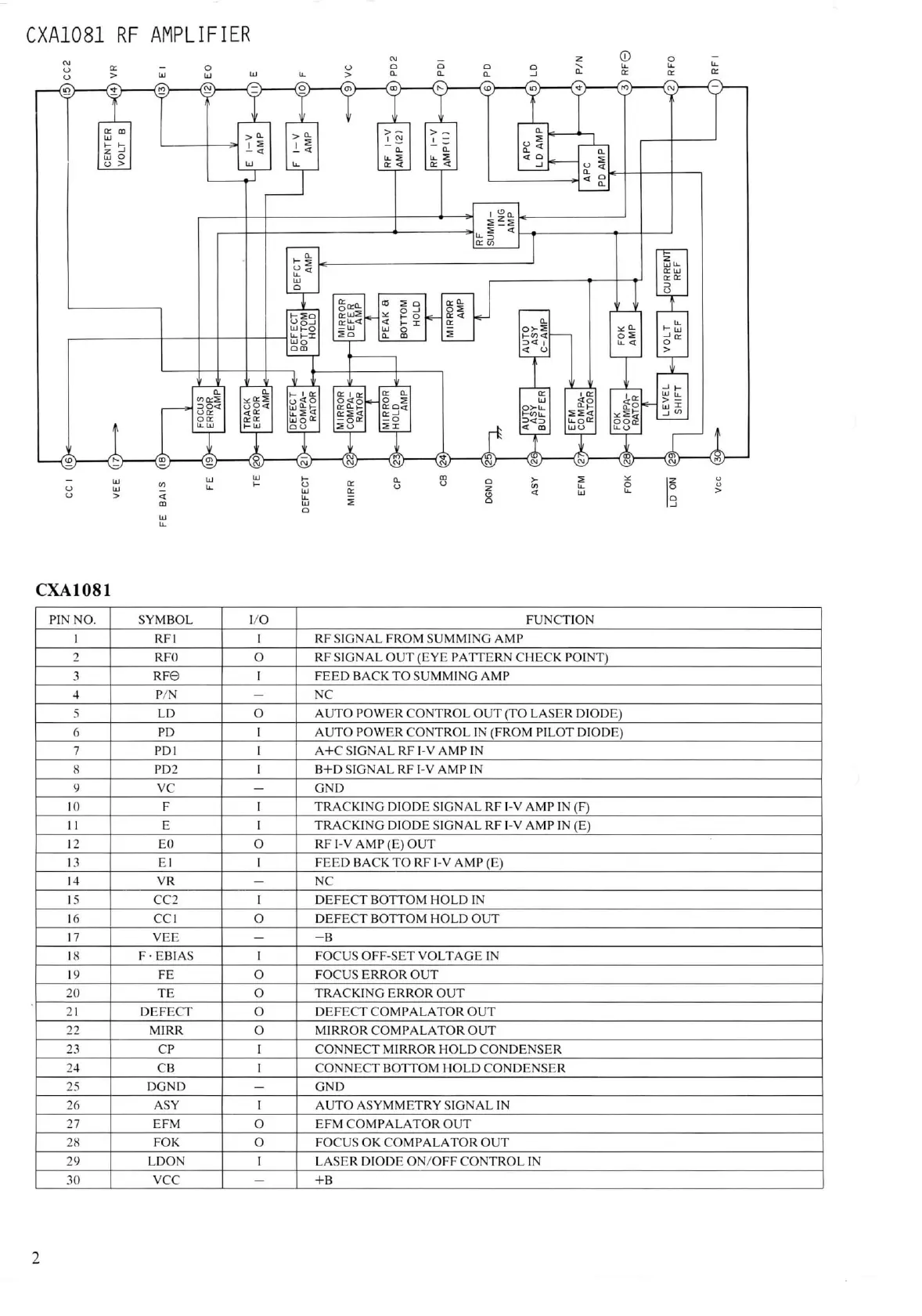
CXA1081
RF
AMPLI FI ER
s)—©—^
=)0<
OQ:
ü_ Lü
e) ®
>
9t
CL
tl- 2
Q: <
<(i:
<
Q
®
Q:
ÜJI-O
ll-
I-I
UJ
O
Q m
05
2
O
Q
_J
O ^
Q:Li-<
<
H
O
X
Q: <
Q:
UJ
^ Q
UJ
O,
O
m
h- I
Q:
Q O
0:0-
=
2o
0>2
3<t I
<t ü
CC a.
CC
0>-U-
KtOU_
<
m
u-ot^
UJCJ
UJ
Li-
et: UJ
Q: D:
-J
I-
UJ
Li_
<
LU
CXA1081
PIN
NO.
SYMBOL
I/O FUNCTION
1
RFl
I
RF
SIGNAL FROM
SUMMING
AMP
2
RFO
O
RF
SIGNAL
OUT
(EYE PATTERN
CHECK
POINT)
3
RFG
1
FEED
BACK
TO
SUMMING
AMP
4 P/N
NC
LD
O
AUTO
POWER CONTROL
OUT (TO
LASER
DIODE)
6 PD
I
AUTO
POWER CONTROL
IN
(FROM PILOT DIODE)
7 PDl
I
A4-C SIGNAL
RF I-V AMP IN
8 PD2
I
B4-D
SIGNAL
RF I-V AMP IN
9
VC
-
GND
10
F
I
TRACKING
DIODE SIGNAL
RF I-V AMP IN (F)
1 1
E
I
TRACKING
DIODE SIGNAL
RF I-V AMP IN (E)
12
EO
O
RF
I-V AMP
(E)
OUT
13
El
1
FEED
BACK
TO RF 1-V AMP (E)
14
VR
-
NC
15
CC2
1
DEFECT
BOTTOM HOLD
IN
16
CCl
O
DEFECT
BOTTOM HOLD
OUT
17
VEE
-B
18
F-EBIAS
1
FOCUS
OFF-SET
VOLTAGE
IN
19
FE
O
FOCUS
ERROR
OUT
20
TE
O
TRACKING
ERROR
OUT
21
DEFECT
O
DEFECT
COMPALATOR
OUT
22 MIRR O MIRROR COMPALATOR
OUT
23 CP
I
CONNECT MIRROR HOLD CONDENSER
24
CB
I
CONNECT BOTTOM HOLD CONDENSER
25
DGND
-
GND
26
ASY
I
AUTO
ASYMMETRY SIGNAL
IN
27
EFM
O
EFM
COMPALATOR
OUT
28
FOK
O
FOCUS
OK
COMPALATOR
OUT
29 LDON
I
LASER
DIODE ON/OFF CONTROL
IN
30
VCC
-I-B
2

Related product manuals