EasyManua.ls Logo

Akai CD-22 - Page 24

Akai CD-22
37 pages
Print Icon
To Next Page IconTo Next Page
To Next Page IconTo Next Page
To Previous Page IconTo Previous Page
To Previous Page IconTo Previous Page
Loading...
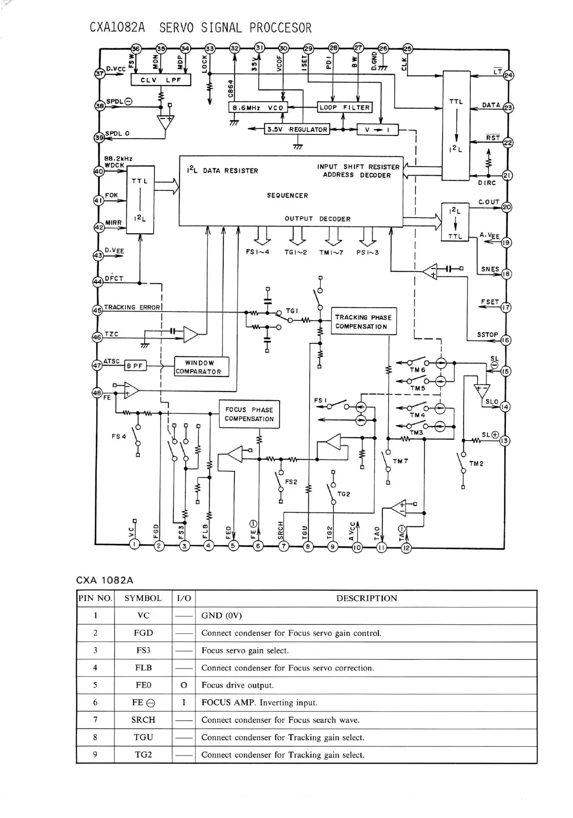
CXA1082A
SERVO SIGNAL PROCCESOR
3-
>
CXA 1082A
PIN NO.
SYMBOL
I/O
DESCRIPTION
1
VC
GND (OV)
2
FGD
Connect condenser
for
Focus servo gain control.
3
FS3
Focus
servo gain select.
4
FLB
Connect condenser
for
Focus servo correction.
5
FEO
O
Focus
drive output.
6
FE0
I
FOCUS
AMP. Inverting input.
7
SRCH
Connect condenser
for
Focus search wave.
8
TGU
Connect condenser
for
Tracking gain select.
9
TG2
Connect condenser
for
Tracking gain select.

Related product manuals