EasyManua.ls Logo

Akai CD-22 - Page 30

Akai CD-22
37 pages
Print Icon
To Next Page IconTo Next Page
To Next Page IconTo Next Page
To Previous Page IconTo Previous Page
To Previous Page IconTo Previous Page
Loading...
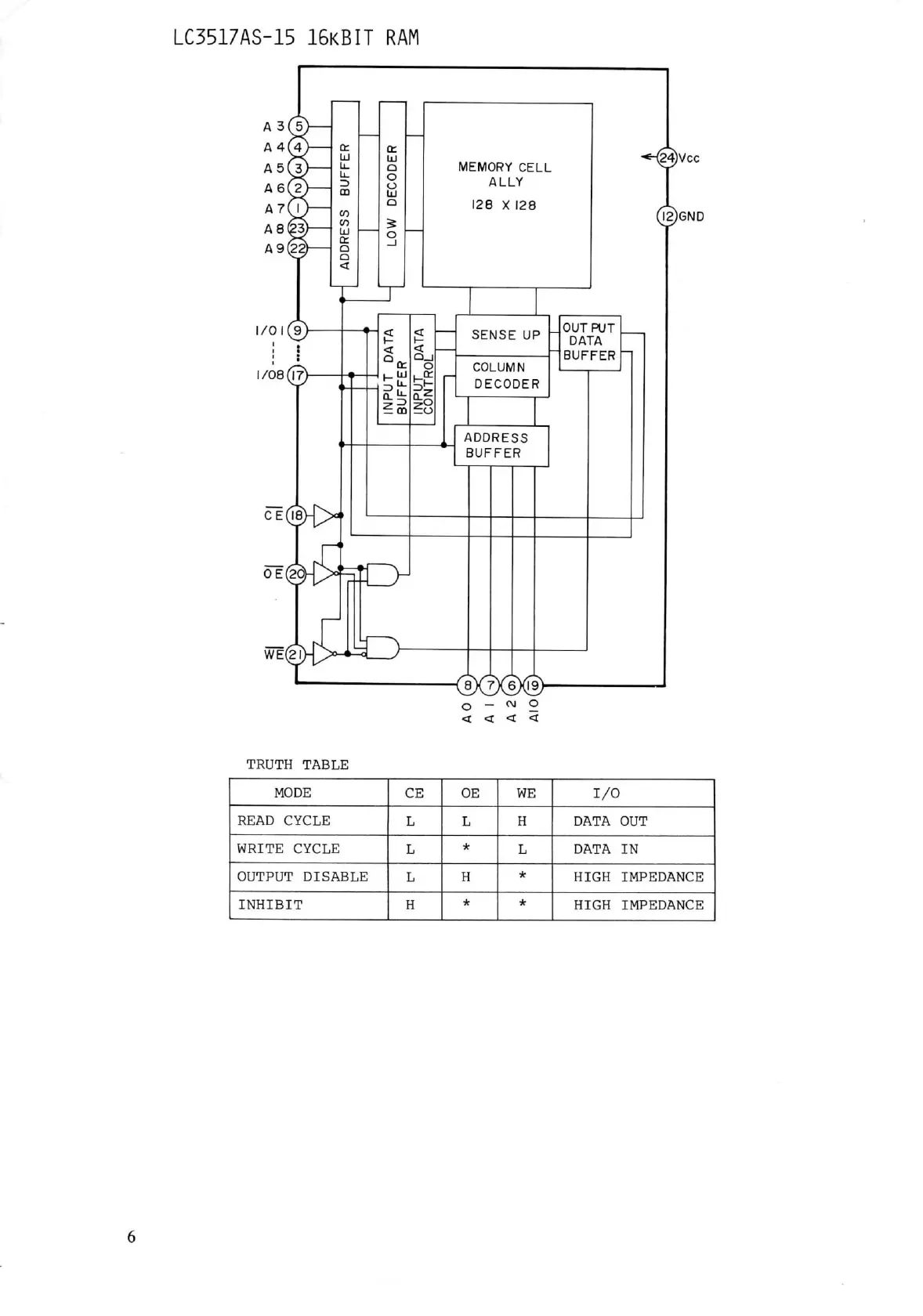
LC3517AS-15
IGKBIT
RAM
1/01(9)
1/08 (l?>
MEMORY
CELL
ALLY
128 X 128
JOUT PUT
DATA
BUFFER
iVcc
(J2)GND
O
- ^
<
< < <
TRUTH TABLE
MODE
CE
OE
WE
I/O
READ CYCLE
L L
H
DATA
OUT
WRITE CYCLE
L
*
L
DATA
IN
OUTPUT
DISABLE
L
H
*
HIGH IMPEDANCE
INHIBIT
H
* *
HIGH IMPEDANCE

Related product manuals