EasyManua.ls Logo

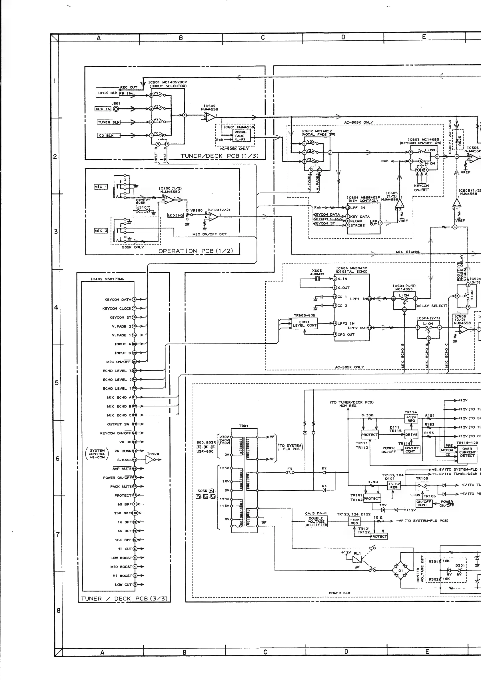
Akai TX-500 - Operation Pcb

Akai TX-500
82 pages
Print Icon
To Next Page IconTo Next Page
To Next Page IconTo Next Page
To Previous Page IconTo Previous Page
To Previous Page IconTo Previous Page
Loading...
|
VA
TUNER
_/_
DECK
PCB
(3/3)
1¢cS501
MC14052BCP
(INPUT
SELECTOR)
REC
OUT
DECK
BLK
PPB
I
4
merase
1C602
MC14052
(VOCAL
FADE
SW)
1c603
MC14053
(KEYCON
ON/OFF
SW)
R525
soi
crs
o
AC-SOSK
ONLY
TUNER/DECK_PCB
(1/3)
_1
16506
NUM4556
|
Except
ac-50S5K
16100
(1/2)
NJM4558)
3
2a
Icsos
(1/2)
NJM4558
Sees
sess
Ice04
mesasosp
(172)
poss
asesass
1
(KEY
CONTROL)
NJM455
eeseat
Dad
KEYCoN
st
>
KEY
DATA
CLOCK
LPF
£3)
STROBE
MIC
ON/OFF
DET
S50SK
ONLY
ae
OPERATION
PCB
(1/2)_|
1C606
M65843P
x603
(DIGITAL
ECHO)
POSITIVE
1¢402
M38173M60—
fff
1¢S04
(1/3)
MC14053
G6)
KEYCON
DATA!
MIC
ECHO
B
AC-SOSK
ONLY
ECHO
LEVEL
38
ECHO
LEVEL
26
ECHO
LEVEL
165)
'
'
&
+12V
(TO
TUNER/DECK
PCB)
é2)
NON
REG
|
\
t
|
MIC
ECHO
A
MIC
ECHO
B
T3901
ly
ne
MIC
ECHO
¢@)
2338
+12v
|_,
RS!
+12V
(TO
SY
[mise
+12V
(TO
TL
L\
fo
VF
(ee
uaa)
-FLO
PCB
+12V
(TO
CL
40
500,
SO3R
(?38Y)
TR116~120
&@.6)
.&
USR-600
CONTROL
SYSTEM
VR
DOWN
63)
MI—COM
VF
F3
D2
+5.6V
(TO
SYSTEM-FLD
|
sores
+5.6V
(TO
TUNER/DECK
|
0101
TR105
3.99
+5.6V
+5V
;
rae
Poesy
FNS]
D>
SV
(TO
TU
Te
om
pRoTECT
LiONTTR106
+5¥.C1O.PR
PROTEC
R102
ON/OFF
|_._
POWER
12v
CONT
ON/OFF
>
QJ
+12V
C4,
5
D6~8
TR123,
124,
D122
°
<
(a
00000
DOUBLE
—30v
10
2
VOLTAGE
ay
RECTIFIER
Time
||
PROTECT
-VP
(TO
SYSTEM-FLO
PCB)
|
ool
w
a
'
w
Ee
83
POWER
BLK
(aay:
Va
(cae
ice
-
ie
re
ee
eg
neers
en
erent
a
eee