EasyManua.ls Logo

Alcor AU9510 - Mechanical Information

Default Icon
30 pages
Print Icon
To Next Page IconTo Next Page
To Next Page IconTo Next Page
To Previous Page IconTo Previous Page
To Previous Page IconTo Previous Page
Loading...
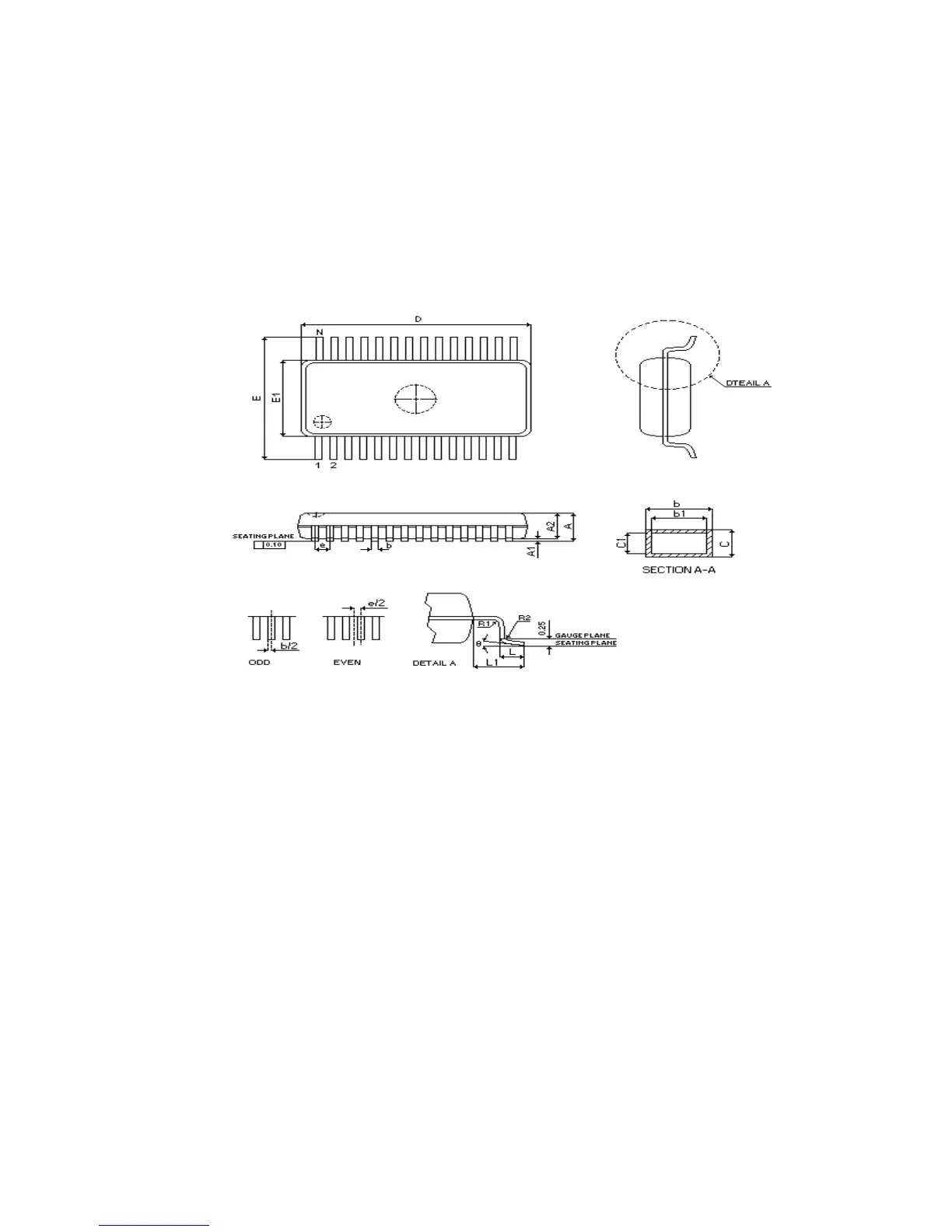
MECHANICAL INFORMATION 25
7.0 Mechanical Information
Following diagrams show the dimensions of the AU9510 28-pin SSOP. Measurements are in
inches. Dimensions do not include mold flash and dambar protrusion; allowable mold flash is
0.010 inch.