EasyManua.ls Logo

Alderlea T5 - Page 10

Alderlea T5
24 pages
Print Icon
To Next Page IconTo Next Page
To Next Page IconTo Next Page
To Previous Page IconTo Previous Page
To Previous Page IconTo Previous Page
Loading...
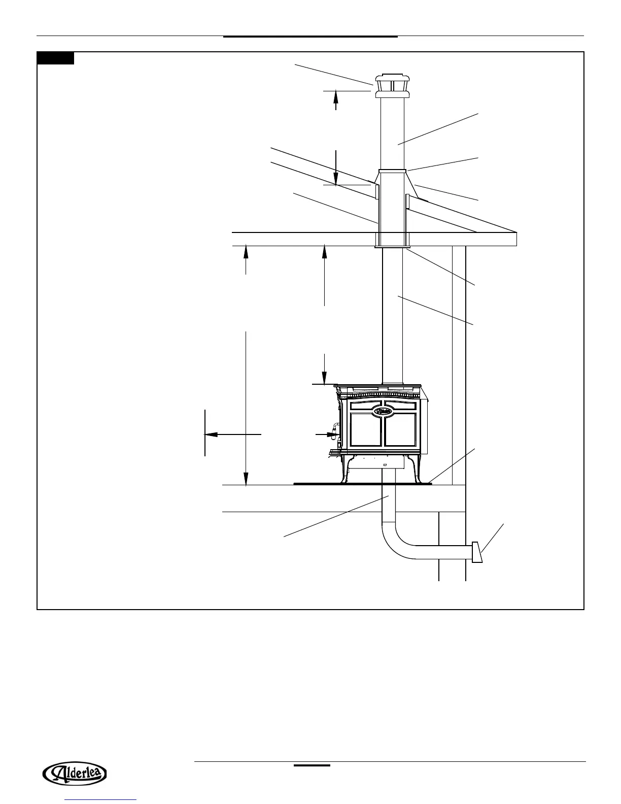
Fig #4
CHIMNEY
ROOF FLASHING
STORM COLLAR
* 4" diameter air inlet with rodent screen
* If the crawl space is well ventilated it is not
necessary to extend air inlet to outside
SPARK ARRESTOR
RAIN CAP
RADIATION SHIELD
CHIMNEY CONNECTOR
CHIMNEY SUPPORT
MINIMUM 7' (2100 mm)
CEILING HEIGHT
NON-COMBUSTIBLE
FLOOR PROTECTOR
48"
(1219 mm)
3' (914 mm)
MINIMUM
HOODED VENT OR
90º ELBOW TURNED
DOWN
The chimney may incorporate an
offset. To do this safely, all sections
of listed connector, offset elbows
and chimney section must be
screwed together by at least three
sheet metal screws per joint. The
chimney must be suitably supported
by the chimney manufacturer's
listed offset support.
55 1/4” (1403 mm)
080515-24 ALT5
©PACIFIC ENERGY FIREPLACE
PRODUCTS LTD.
10

Other manuals for Alderlea T5