EasyManua.ls Logo

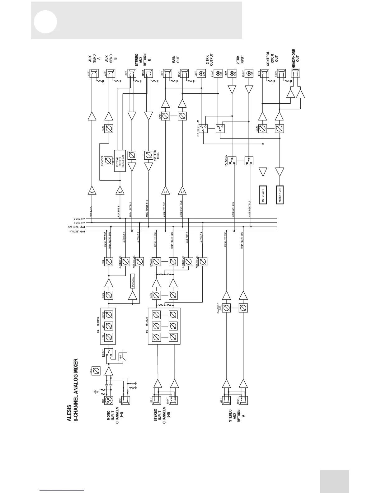
Alesis MultiMix8FX - Chapter Seven: Block Diagram

Alesis MultiMix8FX
40 pages
Print Icon
To Next Page IconTo Next Page
To Next Page IconTo Next Page
To Previous Page IconTo Previous Page
To Previous Page IconTo Previous Page
Loading...
7
Block Diagram
33

Table of Contents

Related product manuals