EasyManua.ls Logo

Alesis QuadraSynth Plus - Configuration #4: 2-Sends, with EQ

Alesis QuadraSynth Plus
191 pages
Print Icon
To Next Page IconTo Next Page
To Next Page IconTo Next Page
To Previous Page IconTo Previous Page
To Previous Page IconTo Previous Page
Loading...
Editing Effects: Chapter 7
QuadraSynth Plus Piano Reference Manual 141
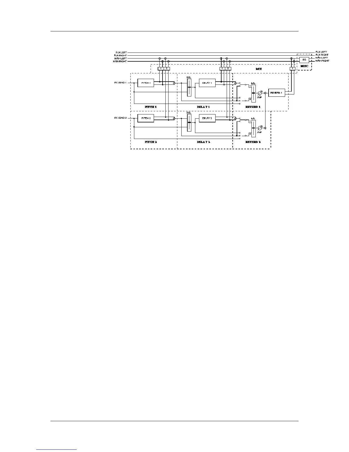
Configuration #4: 2-Sends, with EQ
Pitch 1 Delay 1Reverb 1 Misc. 1
Mono chorus Mono delay Plate 1 EQ
Stereo chorus Stereo delay Plate 2
Mono flange Ping-Pong delay Room
Stereo flange Hall
Pitch detune Large
Resonator Gate
Reverse
Pitch 2 Delay 2Reverb 2
Mono chorus Mono delay Balance and level
Stereo chorus Stereo delay to Reverb 1
Mono flange Ping-Pong delay
Stereo flange
Pitch detune
Resonator
In this Configuration, note that Sends 1 and 2 are identical to that of
Configuration #1. However, Sends 3 and 4 have been removed. In their
place, we have added a shelving EQ module to the main outputs. This
means you have bass and treble boost controls for all sounds coming out
of the main outputs (not just the sounds routed to the Effects Sends).
J
If you are using Configuration #4, routing any of the Program’s Sounds to
Send #s 3 or 4 will have no effect. In other words, it’s as if you routed channels
of your mixing console to effects sends that aren't connected to anything.
The MISC function is where you access the EQ parameters used in this
configuration. This can be selected in the same manner as any other
function using the FUNCTION [] and [] buttons. The shelving EQ
provides bass and treble boost, and affects the entire main output.

Table of Contents

Related product manuals