EasyManua.ls Logo

Alesis QuadraSynth Plus - Understanding the Edit Buffers

Alesis QuadraSynth Plus
191 pages
Print Icon
To Next Page IconTo Next Page
To Next Page IconTo Next Page
To Previous Page IconTo Previous Page
To Previous Page IconTo Previous Page
Loading...
Editing Mixes: Chapter 5
QuadraSynth Plus Piano Reference Manual 59
to use. Each channel may be enabled or disabled, without changing any of its
parameter settings. When a channel is disabled, its number will not appear in the
upper left display, except when it is selected for editing. You can set levels, effect
levels and bus assignments, pitch transposition, keyboard ranges (if making a
split or layer), and MIDI parameters for each individual channel. Each function is
selected using the FUNCTION [] and [] buttons and (if necessary) the PAGE
[] and [] buttons. A Mix also uses the Effect Patch associated with one of its 16
Programs.
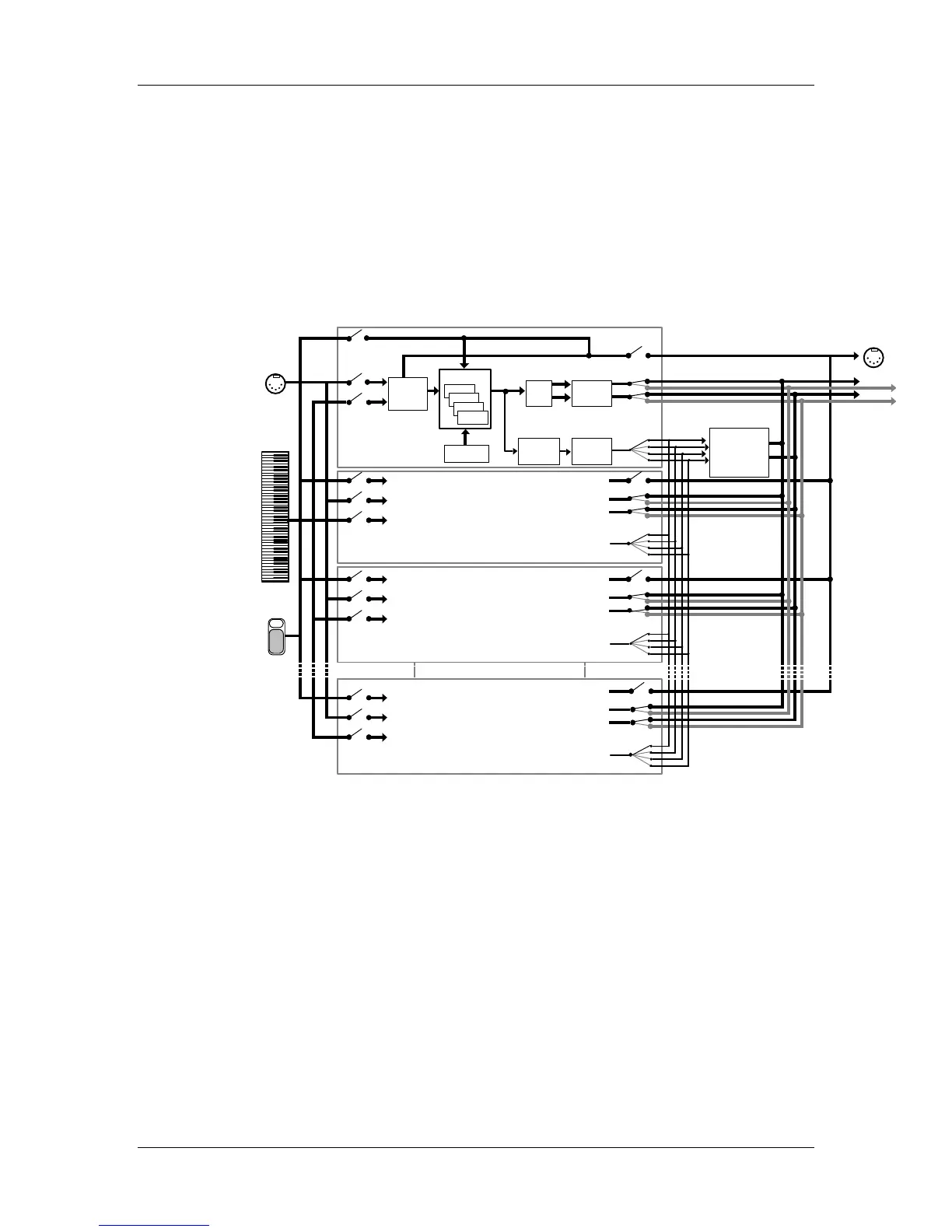
Here is a simplified diagram of the signal path in Mix mode.
Pr ogram
Range
Channel 1Channel 1
Channel 2
Channel 3
Channel 16
MIDI
Input
Pan Output
Sends
1—4
Main L
Ef fects
Level
Ef fects
Buss
Main R
Aux L
Aux R
Ef fects
Pr ocessor
(r everb, delay,
chorus, etc.)
Pitch
MIDI
Output
Keyboar d
Mode =
NORMAL
MIDI
Out
MIDI In
Keyboar d
Sound 1
Sound 2
Sound 3
Sound 4
Pedals
Pedals
Understanding the Edit Buffers
In Mix mode, there are 16 Program edit buffers (one for each channel), plus
another buffer for the Mix parameters (Level, Pitch, Range, etc.), and yet another
buffer for the Effects Processor. When you select a Mix from memory, it is
copied into the Mix Edit buffer, the 16 Programs of that Mix are copied into the
16 edit buffers, and the Effect from one of the 16 Programs is copied into the
Effects buffer. If you make changes to the Mix, they are only temporarily kept in
the edit buffer until a new Mix is selected from memory. Therefore, you MUST
store your edited Mix if you want to keep it.
If in the course of making a Mix, you enter Program Edit mode (by pressing
[SELECT]) and edit one or more Programs in the Mix, the edits you make are
entered into a separate buffer for each Program in the Mix. Note, however, that
you DO have to STORE each edited Program in the User bank (in the same or
different Program number location) before selecting a different Mix, or your

Table of Contents

Related product manuals