EasyManua.ls Logo

Alfa Laval Heatpac EHS-71 - System Description; Basic Concept; Principle Diagram

Alfa Laval Heatpac EHS-71
28 pages
Print Icon
To Next Page IconTo Next Page
To Next Page IconTo Next Page
To Previous Page IconTo Previous Page
To Previous Page IconTo Previous Page
Loading...
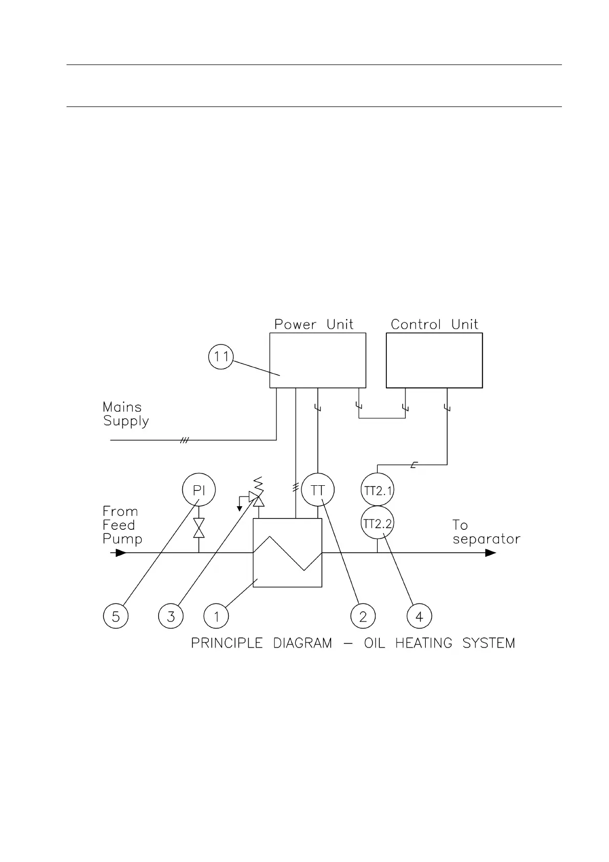
3 System Description
3.1 Basic Concept
The Heatpac
®
EHS-71 basic concept comprises
an electric heater of EHM type combined with
an electronic control unit, power unit, and a
number of ancillary components.
3.1.1 Principle Diagram
G1120811
11