EasyManua.ls Logo

Alfa Laval Heatpac EHS-71 - Interconnection Diagram

Alfa Laval Heatpac EHS-71
28 pages
Print Icon
To Next Page IconTo Next Page
To Next Page IconTo Next Page
To Previous Page IconTo Previous Page
To Previous Page IconTo Previous Page
Loading...
7 Diagrams
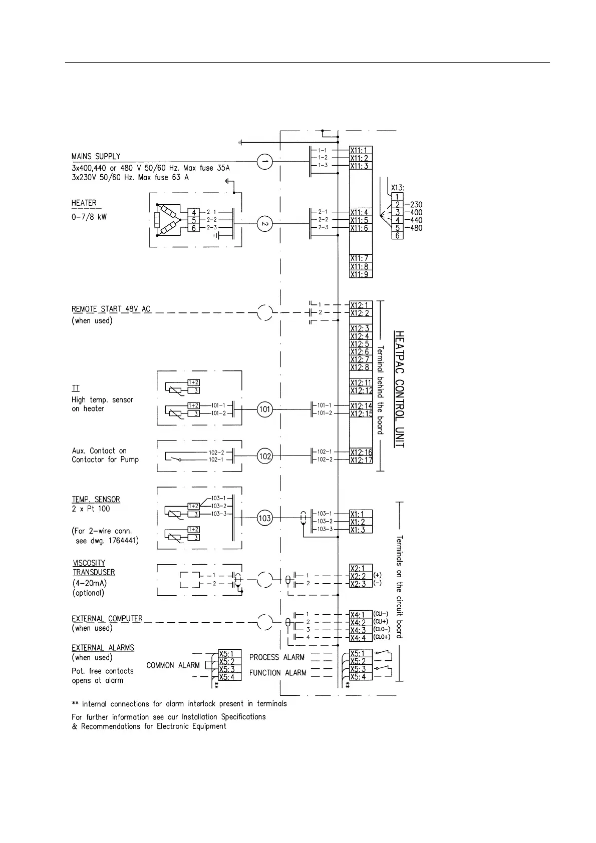
7.3 Interconnection Diagram
G1119511
Alfa Laval ref. 1766846 rev. 0
25