EasyManua.ls Logo

Alfa Laval Heatpac EHS-71 - Diagrams; Electrical System Layout

Alfa Laval Heatpac EHS-71
28 pages
Print Icon
To Next Page IconTo Next Page
To Next Page IconTo Next Page
To Previous Page IconTo Previous Page
To Previous Page IconTo Previous Page
Loading...
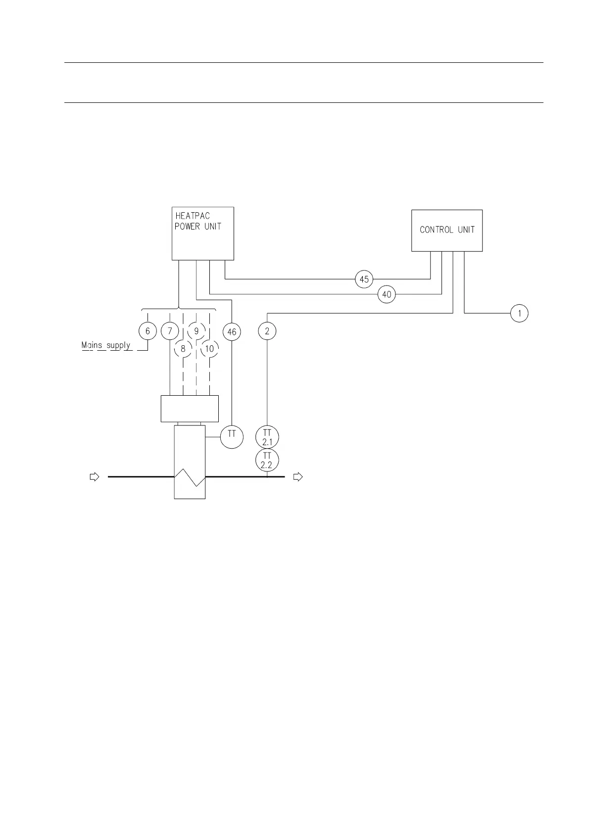
7Diagrams
7.1 Electrical System Layout
G1119311
Alfa Laval ref. 9020040 rev. 0
23