EasyManua.ls Logo

Alfa Laval Micro STC - 17 Elschema; Micro RTC

Alfa Laval Micro STC
276 pages
Print Icon
To Next Page IconTo Next Page
To Next Page IconTo Next Page
To Previous Page IconTo Previous Page
To Previous Page IconTo Previous Page
Loading...
Alfa Laval Micro
Installation, service och driftinstruktion
49
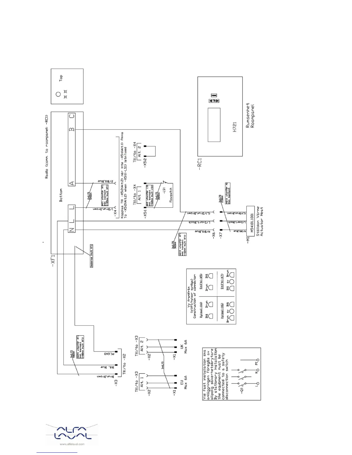
17 Elschema
Micro RTC 17.1
Bild 37

Table of Contents

Related product manuals