EasyManua.ls Logo

Alfa Laval Micro STC - 18.5 Micro STC2; 18.6 Micro HTC

Alfa Laval Micro STC
276 pages
Print Icon
To Next Page IconTo Next Page
To Next Page IconTo Next Page
To Previous Page IconTo Previous Page
To Previous Page IconTo Previous Page
Loading...
Alfa Laval Micro
Installation, service and operating instruction
53
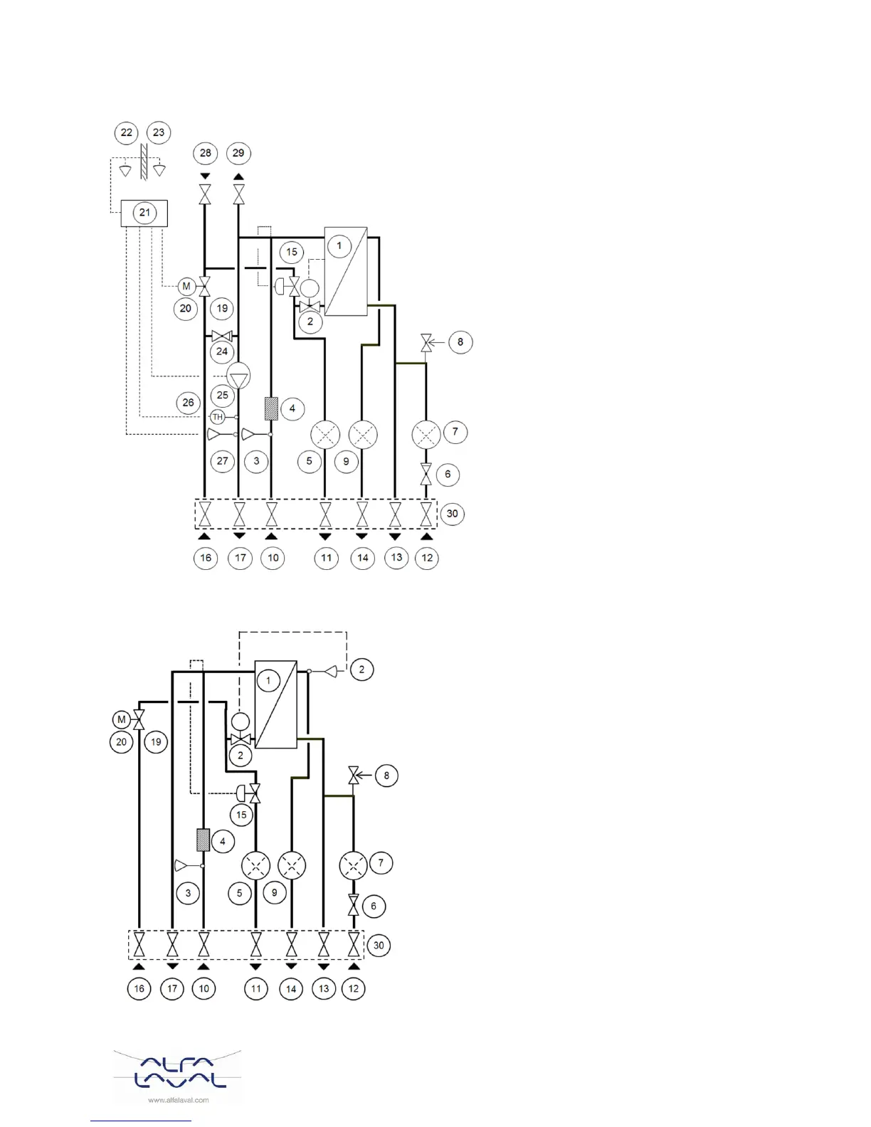
Micro STC2
18.5
Picture 43
Micro HTC 18.6
Picture 44

Table of Contents

Related product manuals