EasyManua.ls Logo

Alfa Laval Micro STC - Micro STC Et Micro STC2

Alfa Laval Micro STC
276 pages
Print Icon
To Next Page IconTo Next Page
To Next Page IconTo Next Page
To Previous Page IconTo Previous Page
To Previous Page IconTo Previous Page
Loading...
Alfa Laval Micro
Consignes d'installation, d'entretien et d'exploitation
50
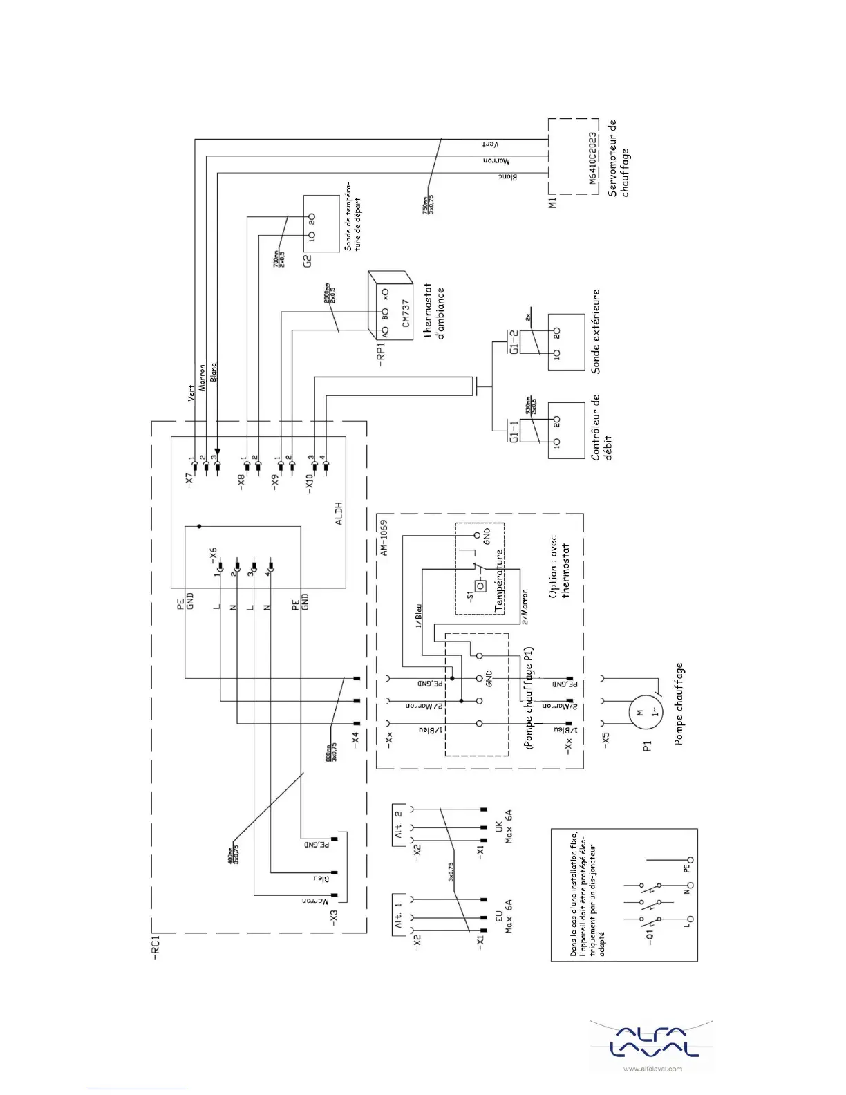
17.2 Micro STC et Micro STC2
Photo 38

Table of Contents

Related product manuals